个人介绍
市政工程计量与计价 重庆科技大学

主讲教师:陈聪

教师团队:共3

  • 曾玥琳
  • 董倩
  • 王瑞
学校: 重庆科技大学
开课院系: 建工学院
专业大类: 管理科学与工程
课程编号: ZJ0057643
学分: 3
课时: 48
XY课程介绍
本课程主要涉及以下几个基本内容:①市政工程的特点及发展趋势;②市政工程全过程计价;③道路工程计量与计价;④管网工程计量与计价。您将接触实际工程中的真实案例,“解密”计量计价中的难点和疑点。
教师团队

曾玥琳

职称:教师

单位:重庆科技大学

董倩

职称:教授 博导

单位:建筑工程学院

王瑞

职称:高级工程师

单位:中煤科工数创科技(重庆)有限公司

职位:副总经理

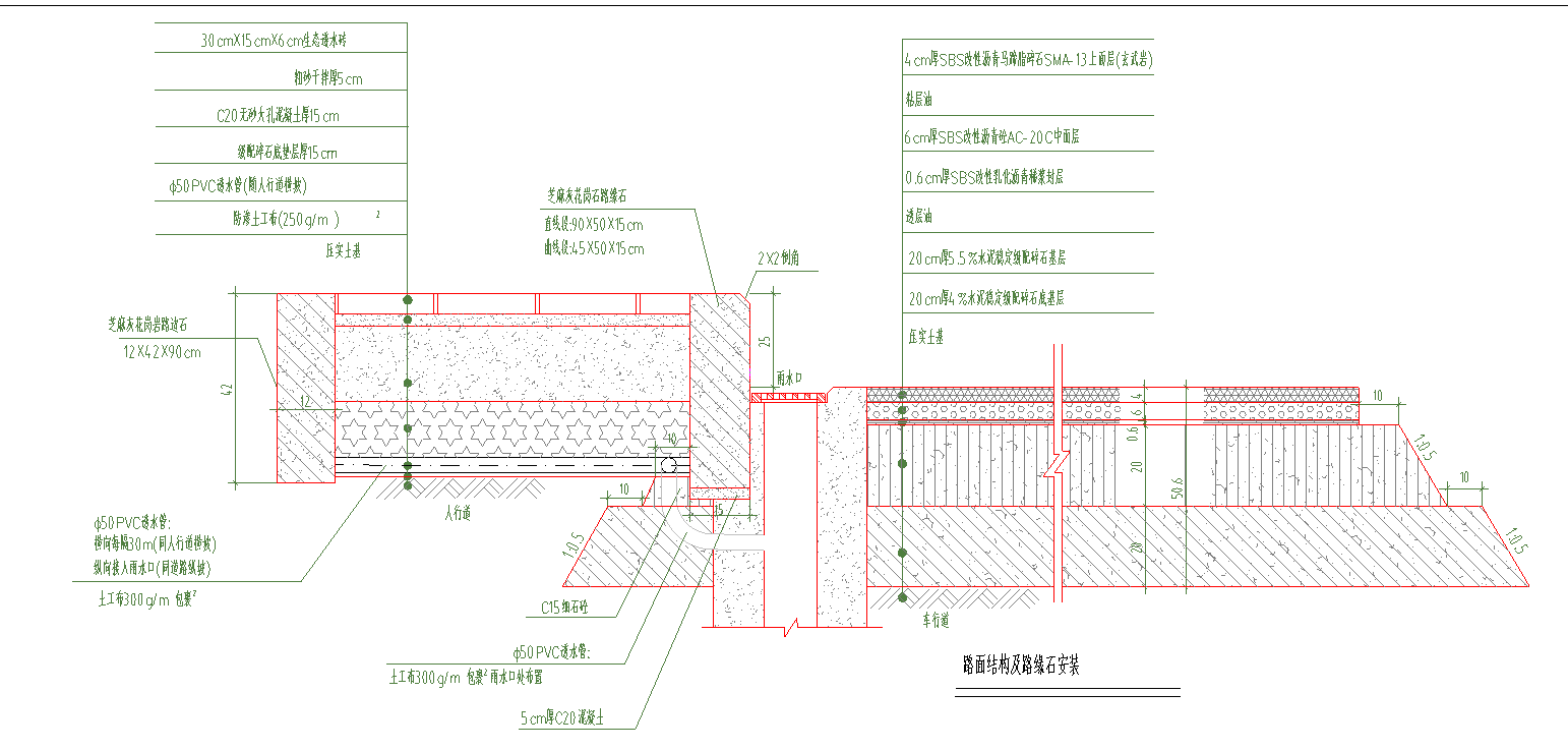
3.6.1 案例:人行道及路缘石识图

3.6.1 路基土石方识图


知识大树



问题框架




识图指引

《15 路面结构设计图 》


《17 人行道布置图》







复盘

人行道及路缘石识图


提示框
取消 进入课程
提示框
确定要报名此课程吗?
确定取消

京ICP备10040544号-2

京公网安备 11010802021885号