任务一 切割机故障分析
-
1 项目一 引导文
-
2 学习目标
-
3 任务描述
-
4 课前任务
-
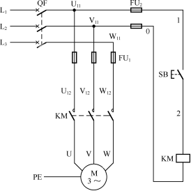
5 电路图
下一节






