目录

  • 1 第一单元、组合逻辑控制
    • 1.1 项目1:编辑与调试
    • 1.2 新建课程目录
    • 1.3 项目2:基本逻辑
    • 1.4 项目3:真值表控制
    • 1.5 项目4:扩展逻辑控制
    • 1.6 项目5:连锁控制
    • 1.7 项目6:过程切换
    • 1.8 项目7:指示灯控制
    • 1.9 项目8:楼道灯控制
    • 1.10 项目9:特殊继电器
  • 2 第二单元、时序逻辑控制
    • 2.1 项目10:单定时器
    • 2.2 项目11:小车控制
    • 2.3 项目12:多定时器控制
    • 2.4 项目13:多定时器进阶
    • 2.5 项目14:周期控制
    • 2.6 项目15:窄脉冲控制
    • 2.7 项目16:脉冲与计数
    • 2.8 项目17:数据存储
    • 2.9 项目18:混合控制
    • 2.10 项目19:数据比较
    • 2.11 项目20:测试设备
    • 2.12 项目21:巧克力流水线
    • 2.13 项目22:复杂时间规律
    • 2.14 项目23:时钟控制
    • 2.15 项目24:食品车间清洁流程
    • 2.16 项目25:数据实验
    • 2.17 项目26:一字节运算
    • 2.18 项目27:四字节运算
    • 2.19 项目28:密码锁
    • 2.20 项目29:随机数的产生
  • 3 第三单元 程序结构
    • 3.1 项目30 顺序控制
    • 3.2 项目31 改进的顺序结构
    • 3.3 项目32 重复结构
    • 3.4 项目33 条件重复控制
    • 3.5 项目34 选择控制
    • 3.6 项目35 复杂选择控制
    • 3.7 项目36 并行控制
    • 3.8 项目37 交通灯控制
    • 3.9 项目38 状态转换控制
    • 3.10 项目39 复杂状态转换
    • 3.11 项目40 机器人扫地
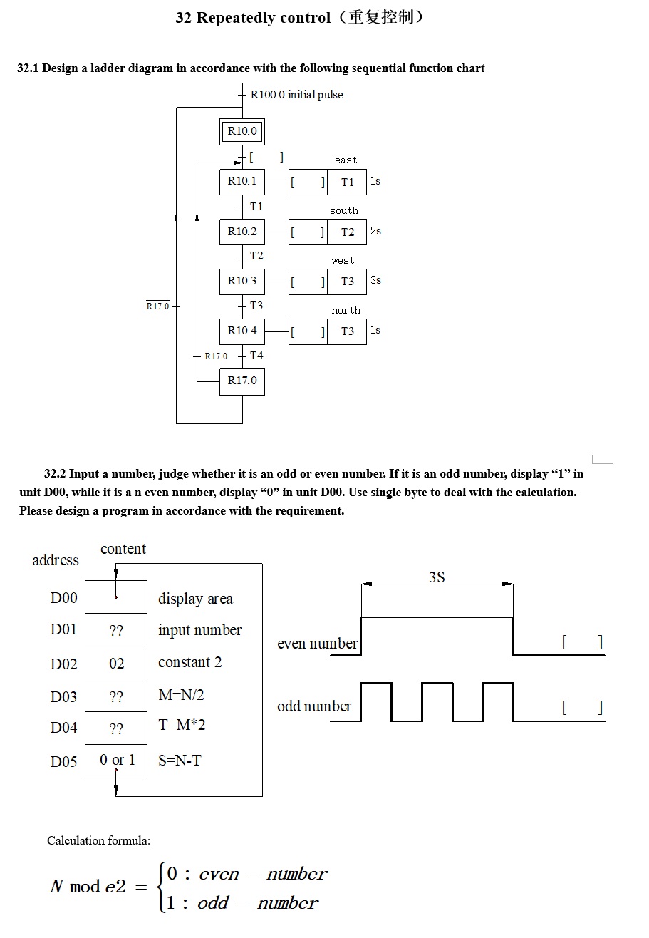
项目32 重复结构