KBGM型制动控制系统的结构原理
-
1 课堂学习
-
2 思政拓展
-
3 巩固练习
上一节
下一节
任务一 KBGM型制动控制系统的结构原理


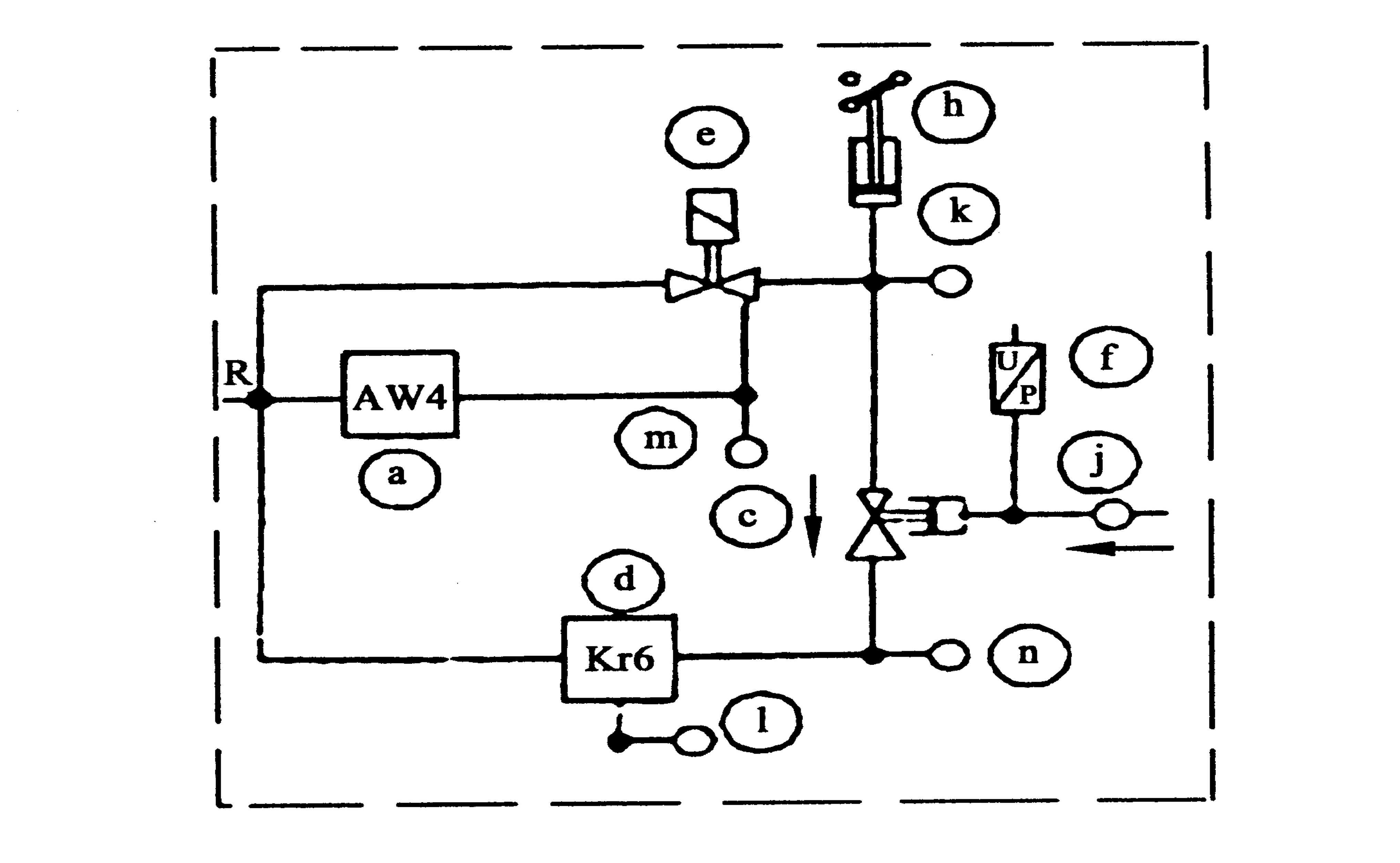
制动控制单元BCU如图所示,它是空气制动的核心,主要由模拟转换阀a、紧急电磁阀e、称重阀c、中继阀(均衡阀)d、载荷压力传感器f(将载荷压力T转换成相应的电信号传输给ECU)、压力开关h等元件组成。制动控制单元采用模块化设计,所有的元件安装在铝合金集成板上。这样设计的目的是集成板便于从车上拆卸和更换,维修检查或大修时不会影响车辆的运行。

如图所示是按气路连通关系绘制的制动控制单元示意图,图中示出了各部件之间的气路关系及其在气路板内的通路,也简略示出了各部件的外形。同时,在气路板上还装置了一些测试口(图中j、k、l、m、n),因此,要测量各个控制压力和制动缸压力,只要在这块气路板上测试即可,便于安装、测试、检修、维护。
BCU的主要作用是将ECU发出的制动指令电信号通过模拟转换阀a转换成与之成比例的预控制压力Cv,这个预控制压力是呈线性变化的,同时,也受到称重阀c和防冲动检测装置的检测和限制,再通过中继阀(均衡阀)d,沟通制动贮风缸B04与制动缸的通路,并控制进入制动缸的压力,最后使制动缸C1和C3获得符合制动指令的空气制动压力。
制动控制单元的工作原理如下:
当压力空气从制动贮风缸B04进入制动控制单元B06后,分成三路,一路进入紧急电磁阀e,一路进入模拟转换阀a,另一路进入中继阀d。其流程如图所示。整个制动控制单元犹如一个放大器。




