任务三 KBGM型制动控制系统的特点
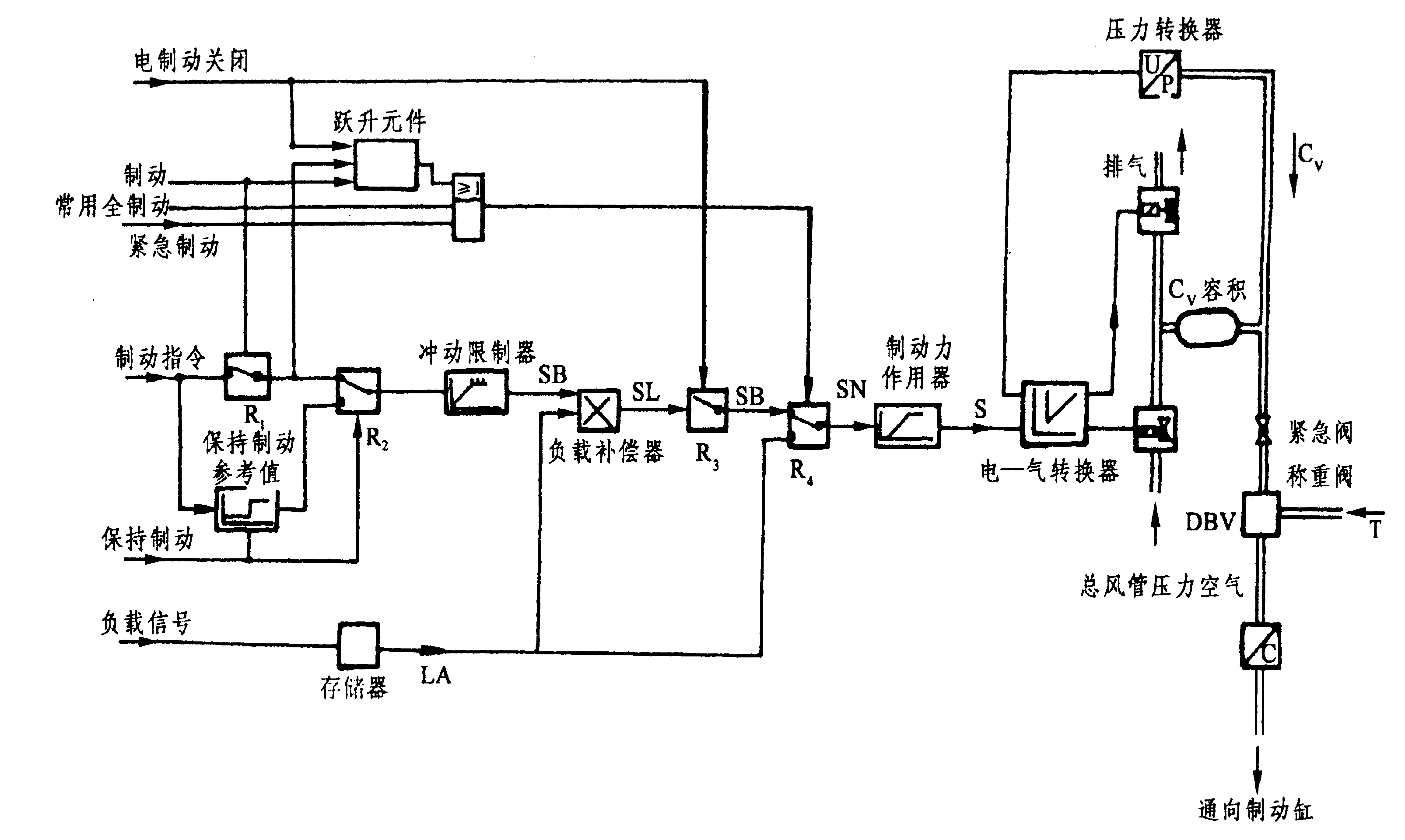
KBGM型制动控制系统实现了空气制动与动力制动的高度结合,在系统上保证了车辆运行的安全。列车制动时不仅满足了动力制动优先的要求并实现了电空混合制功的平滑过渡。该系统主要由风源及管路系统、控制部分和执行部分三个主要部分组成。控制部分是制动装置的核心,由带有防滑控制的制动微机控制单元ECU、制动控制单元BCU、空气控制屏(阀类的集中安装屏)等组成。
其主要特点:
1. 采用脉冲宽度调制(PWM),能进行无级控制。
2. 采用预控制压力的传递,做到制动压力均衡。
3. 制动微处理机控制系统还具有本车的控制系统故障自诊断功能和故障贮存功能。
4. 制动控制系统有一个用于控制电空制动和防止车轮滑行控制的微处理机ECU。
5. 设有紧急阀,当列车发生分离和断电故障时,能自动施行紧急制动以保证行车安全。
6. 防滑控制采用动力制动和空气制动分别控制。
7. 制动和缓解作用快,空走时间短,从而可以缩短制动距离。
8. 整个制动系统采用模块化,结构紧凑,重量轻。



类比拓展:
发展新质生产力、推进新型工业化的重点任务
来源:求是网 作者:是说新语
党的二十大报告明确提出,坚持把发展经济的着力点放在实体经济上,推进新型工业化,加快建设制造强国。新时代新征程上,我们必须把思想和行动统一到习近平总书记重要讲话精神和党中央决策部署上来,牢牢把握高质量发展这个首要任务,在创新、产业、转型、企业等多层面协同发力,加快发展新质生产力,塑造新动能新优势,推进我国产业加快迈向全球价值链中高端,不断开创新型工业化发展新局面。

绿色低碳是新型工业化的生态底色。近年来,内蒙古自治区锡林郭勒盟依托风、光资源优势,大力发展风电装备等新能源制造产业。图为2024年5月15日,工人在锡林郭勒盟明阳新能源有限公司总装车间作业。新华社记者 李志鹏/摄
全面提升产业科技创新能力。科技创新是发展新质生产力的核心要素,必须聚力做好创新这篇大文章,以科技创新推动产业创新,加强产业科技创新体系建设,培育发展新质生产力的新动能。加强关键核心技术攻关,抓好重大科技专项和重点研发计划实施,探索新型举国体制新模式,一体推进技术攻关、迭代应用、生态培育,加快重大战略性技术和产品攻关突破。强化企业创新主体地位,落实企业研发费用加计扣除等政策,在企业布局建设更多国家级创新平台,鼓励支持有条件的企业承担国家科技创新项目,引导更多人才、资金、技术等创新要素向企业集聚。建设高水平产业科技创新平台网络,优化制造业创新中心建设和布局,建设一批试验验证平台和中试平台,提升产业技术公共服务平台功能。推进创新产品推广应用和迭代升级,着力破解实现技术突破、产品制造、市场模式、产业发展“一条龙”转化的瓶颈,完善、用好首台(套)首批次等政策,加快科技成果转化为现实生产力。坚持发展高科技、实现产业化、形成新质生产力,推进国家高新技术产业开发区提质增效,发挥国家自主创新示范区作用,打造世界领先科技园区和创新高地。强化产业科技创新服务支撑,促进科技服务业高质量发展。
提升产业链供应链韧性和安全水平。保证产业体系自主可控、安全可靠是发展新质生产力的重要着力点。围绕发展新质生产力布局产业链,聚焦关系安全发展的领域,打造自主可控、安全可靠的产业链供应链,增强产业发展的接续性和竞争力。全面实施制造业重点产业链高质量发展行动,着力补齐短板、拉长长板、锻造新板,强化产业链上下游协同攻关,化点成珠、串珠成链,确保产业链供应链稳定畅通。深入实施产业基础再造工程和重大技术装备攻关工程,提升基础零部件、基础元器件、基础软件、基础材料等基础产品质量和竞争力,突破一批战略性标志性装备。优化产业链布局,加快建设一批世界级先进制造业集群,建设一批国家新型工业化示范区,支持经济技术开发区、高新技术产业开发区、工业园区等各类园区在发展新质生产力上发挥更大作用。推动产业有序转移,创新产业转移合作模式,办好产业转移发展对接活动,构建东中西部产业梯度转移格局。
构建以先进制造业为骨干的现代化产业体系。产业是新质生产力的载体。主动适应和引领新一轮科技革命和产业变革,把科技创新真正落到产业发展上,推进产业结构优化升级,不断培育新动能、形成新优势。改造提升传统产业,实施制造业技术改造升级工程、制造业卓越质量工程,推动传统制造业向高端化、智能化、绿色化转型,让老树发新芽、添活力,提升在全球产业分工中的地位和竞争力。培育壮大新兴产业,用好国内大市场和丰富应用场景,系统推进技术创新、规模化发展和产业生态建设,推动5G、智能网联汽车、新能源、新材料、生物制造、商业航天、低空经济等新兴产业健康有序发展。前瞻布局未来产业,加强前沿技术研发和应用推广,打造标志性产品,开辟人工智能、人形机器人、脑机接口、元宇宙、下一代互联网、6G、量子信息、深海空天开发等新赛道,构筑未来发展新优势。
推进数字经济与实体经济深度融合。数据作为数字时代的新型生产要素,是新质生产力发展的重要动力。充分发挥数据要素的赋能作用,推进数字经济与实体经济深度融合,加快制造业产业模式和企业形态根本性变革,推动数字经济做强做优做大。加快制造业数字化转型步伐,实施制造业数字化转型行动、智能制造工程、中小企业数字化赋能专项行动,推进新一代信息技术在制造业全行业全链条普及应用。推动人工智能创新应用,高水平赋能新型工业化。发展数字经济核心产业,巩固提升信息通信业领先地位和竞争力,提升集成电路、关键软件、通信设备等发展水平,加快5G、物联网、云计算、大数据、虚拟现实等融合创新。适度超前布局建设5G、数据中心、算力等新型信息基础设施,深入实施工业互联网创新发展工程,打造一批具有全球竞争力的工业互联网平台。提升网络和数据安全保障能力。
深入推进工业绿色低碳发展。绿色低碳是新型工业化的生态底色。新质生产力本身就是绿色生产力。牢固树立和践行绿水青山就是金山银山的理念,推进工业发展方式创新。稳妥推进工业领域碳减排,落实工业领域以及重点行业碳达峰实施方案,改善工业用能结构,加快节能降碳技术和产品研发与推广应用,统筹推进钢铁、有色、建材、石化、化工等重点行业碳达峰。构建绿色制造和服务体系,深入实施绿色制造工程,加大绿色产品供给,打造一批绿色工厂、绿色工业园区、绿色供应链,做强绿色制造业,发展绿色低碳产业,推动内河、近海船舶电气化改造。推进资源节约高效利用,全面推行循环生产方式,加快园区循环化改造,促进企业、园区、行业、区域间循环链接和协同利用。加快构建资源回收利用体系,推动再生资源综合利用产业规范发展。
着力促进工业经济平稳增长。保持工业经济稳定和持续增长是发展新质生产力、推进新型工业化的重要基础。落实落细系列稳增长政策举措,保持制造业比重基本稳定,发挥工业稳定宏观经济大盘的“压舱石”作用。发挥重点行业、重点地区带动作用,实施钢铁、石化、汽车等10大行业稳增长工作方案,支持工业大省“勇挑大梁”,巩固提升京津冀、长三角、粤港澳大湾区等重点区域动力源和增长极作用,引导地方立足本地资源禀赋、产业基础、科研条件等,突出特色优势产业,因地制宜发展新质生产力。着力扩大投资和消费,落实推动工业领域设备更新实施方案,继续抓好制造业“十四五”规划重大工程实施,持续开展“提品质、增品种、创品牌”行动,推进新能源汽车、绿色建材、智能家电等优质产品下乡,着力稳住大宗消费,培育壮大新型消费。稳定和扩大工业产品出口,巩固发展“新三样”,打造更多出口增长点。
促进各类企业优势互补、竞相发展。企业是生成和发展新质生产力最活跃的主体,发展新质生产力归根到底要靠企业。引导企业苦练内功,面向新质生产力锻造竞争力,培育世界一流企业,壮大专精特新企业群体。促进国有企业做强做优做大,增强核心功能,提高核心竞争力,加快国有经济布局优化和结构调整。培育一批制造业头部企业,聚焦重点行业和领域,支持龙头骨干企业优化整合产业链创新链价值链,支持企业间战略合作和强强联合,培育一批具有生态主导力和产业链控制力的一流企业。促进中小企业专精特新发展,加强政策引导,激发涌现更多专精特新企业、“小巨人”企业、制造业单项冠军企业。促进大中小企业融通发展,构建大中小企业相互依存、相互促进的企业创新发展生态。