正反转电路绘制
-
1 理论知识
-
2 作业
上一节
下一节
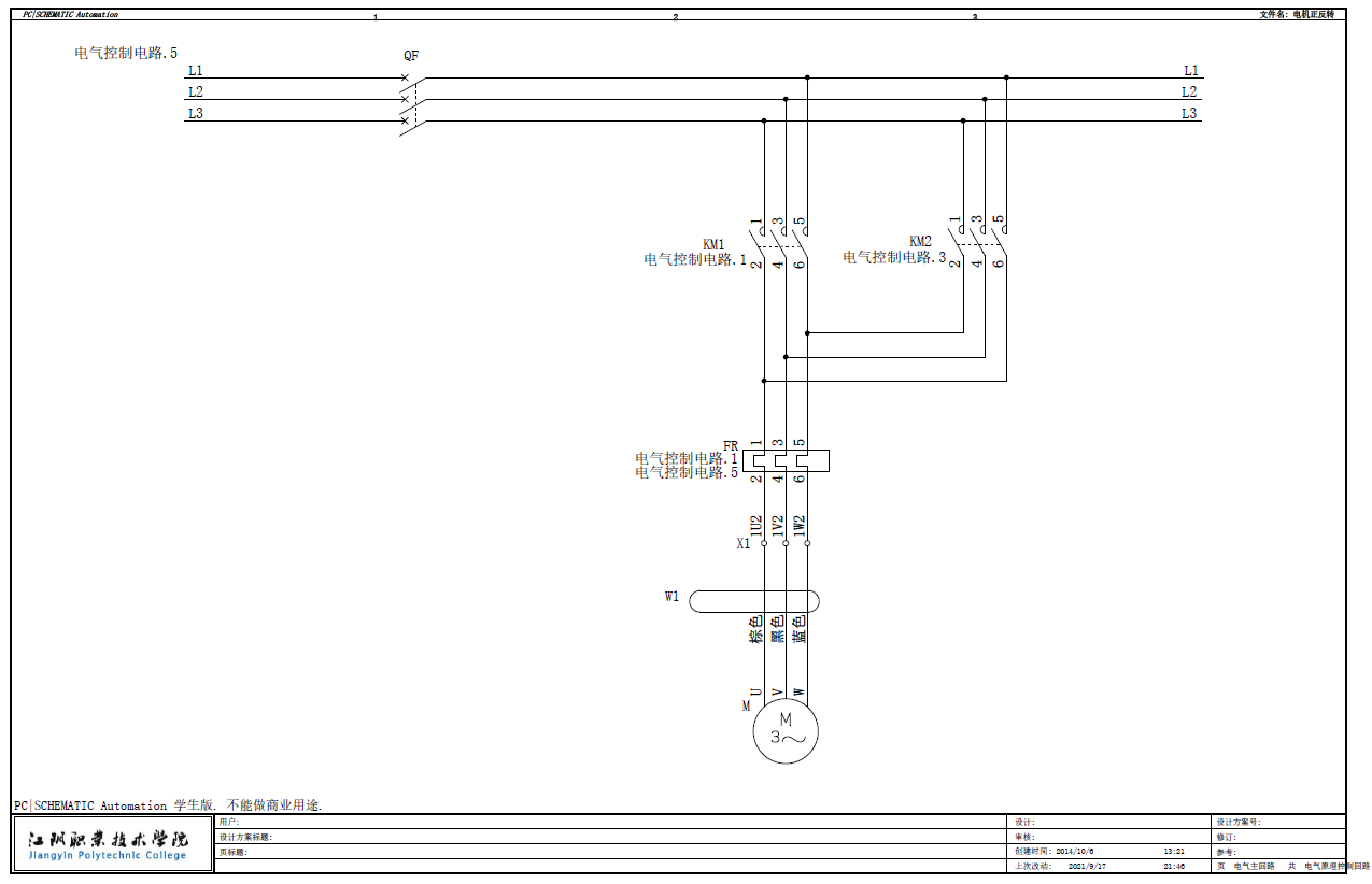
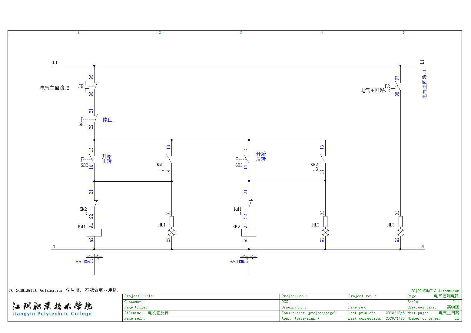
电机正反转电路
如起重机、卷扬机、车床、电梯等。凡是需要做往返动作的机器,几乎都需要用到正反转。
电机要实现正反转控制,将其电源的相序中任意两相对调即可(我们称为换相),通常是V相不变,将U相与W相对调,为了保证两个接触器动作时能够可靠调换电动机的相序,接线时应使接触器的上口接线保持一致,在接触器的下口调相。

首先断路器L1---L2---L3分别接接触器主触点,L1----L2----L3,进线都是并联过去,大家注意看出线,T1---T2---T3 左边的进热继电器,经过热继电器进电机。我们需要注意右边的接触器出线,T1没有变化,T2进左边接触器的T3。T3进左边接触器的T2,改变两相相序实现改变电机转向。

下面我们看控制电路,按下正转按钮SB2,接触器KM1得电吸合,KM1自锁。如果此时按下反转按钮SB3,电机不能切换,因为反转控制电路中串联接触器KM1常闭,此时KM1吸合状态常闭是断开的,所以启动不了。反转也是串KM2常闭,原理一样。



