-
1 理论知识
-
2 作业
C620型普通车床的电气控制图解
一、普通车床的主要作用及结构
作用:普通车床是一种应用极为广泛的金属切削机床,它主要用来车削外圆、内圆、端面、螺纹和定型表面,并可用钻头、铰刀、镗刀进行加工。
结构:普通车床主要由床身、主轴变速箱、进给箱、溜板箱、溜板与刀架、尾架、光杠、丝杠等部分组成。
二、C620型普通车床的电气控制
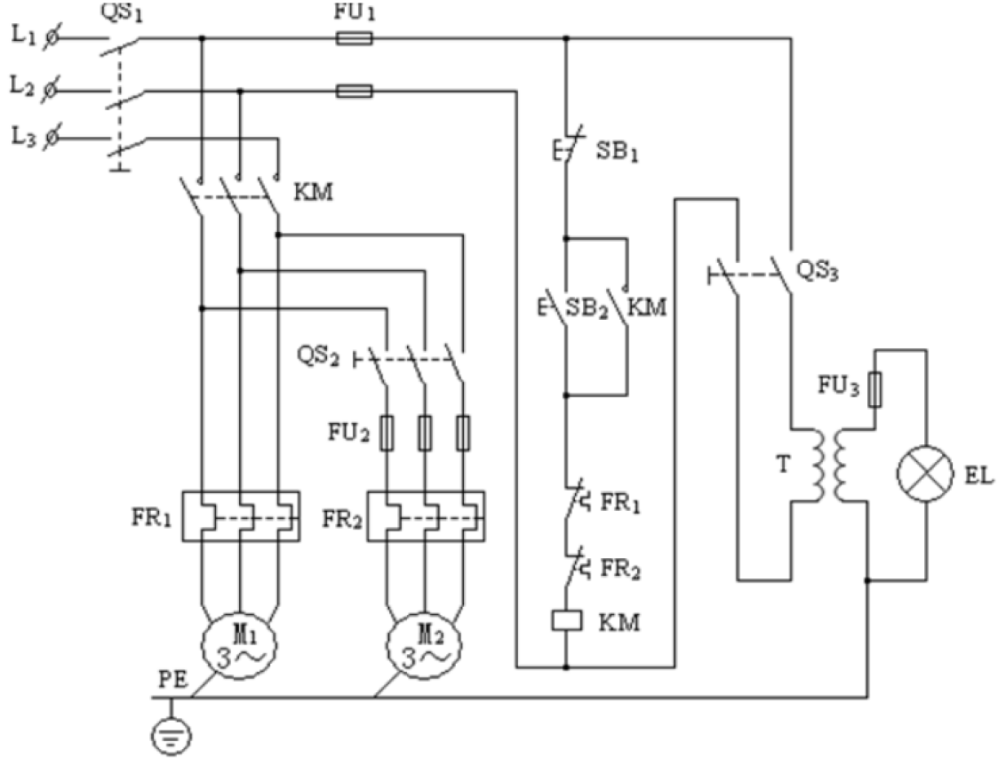
C620-1型普通车床的电气控制原理图如下:

1、电气控制原理图的构成及作用
电气控制原理图可分为主电路、控制电路及照明电路。主电路中的M1为主轴电动机,拖动主轴旋转;M2为冷却电动机,输出冷却液。因它们的容量均小于10kW,可采用全压启动。控制电路是由按钮、热继电器和接触器线圈组成,通过按钮SB1和SB2来控制主电路的两台电机。照明电路由变压器和照明灯组成,主要是照明用。
2、电气控制线路分析
1)、主电路分析
主电路中有两台电动机,电动机M1、M2采用QS1作电路开关,接触器KM的主触点来控制M1的启动和停止。转换开关QS2控制M2的启动和停止。
2)、控制电路分析
控制电路采用380V交流电源供电,只要按动按钮SB2,KM线圈得电,其自锁触点闭合自锁,它的主触点闭合,此时M1启动。M1启动后,合上QS2,冷却电动机立即启动。按下按钮SB1两台电动机停止。
3)、辅助电路分析
照明电路采用36V安全电压,由变压器TC供给,QS3控制照明电路。
4)、保护环节分析
熔断器FU1和FU2分别对电机M2和控制电路进行短路保护,因向车床供电的电源开关已装熔断器,所以M1未用熔断器进行短路保护。热继电器FR1和FR2分别对电动机M1和M2进行过载保护,其触点串联在KM线圈回路中,M1、M2的任一台电动机过载,热继电器的常闭触点打开,KM都将失电而使两台电动机停止。






