电动葫芦电气图纸绘制
-
1 理论知识
-
2 作业(电气原理图)
-
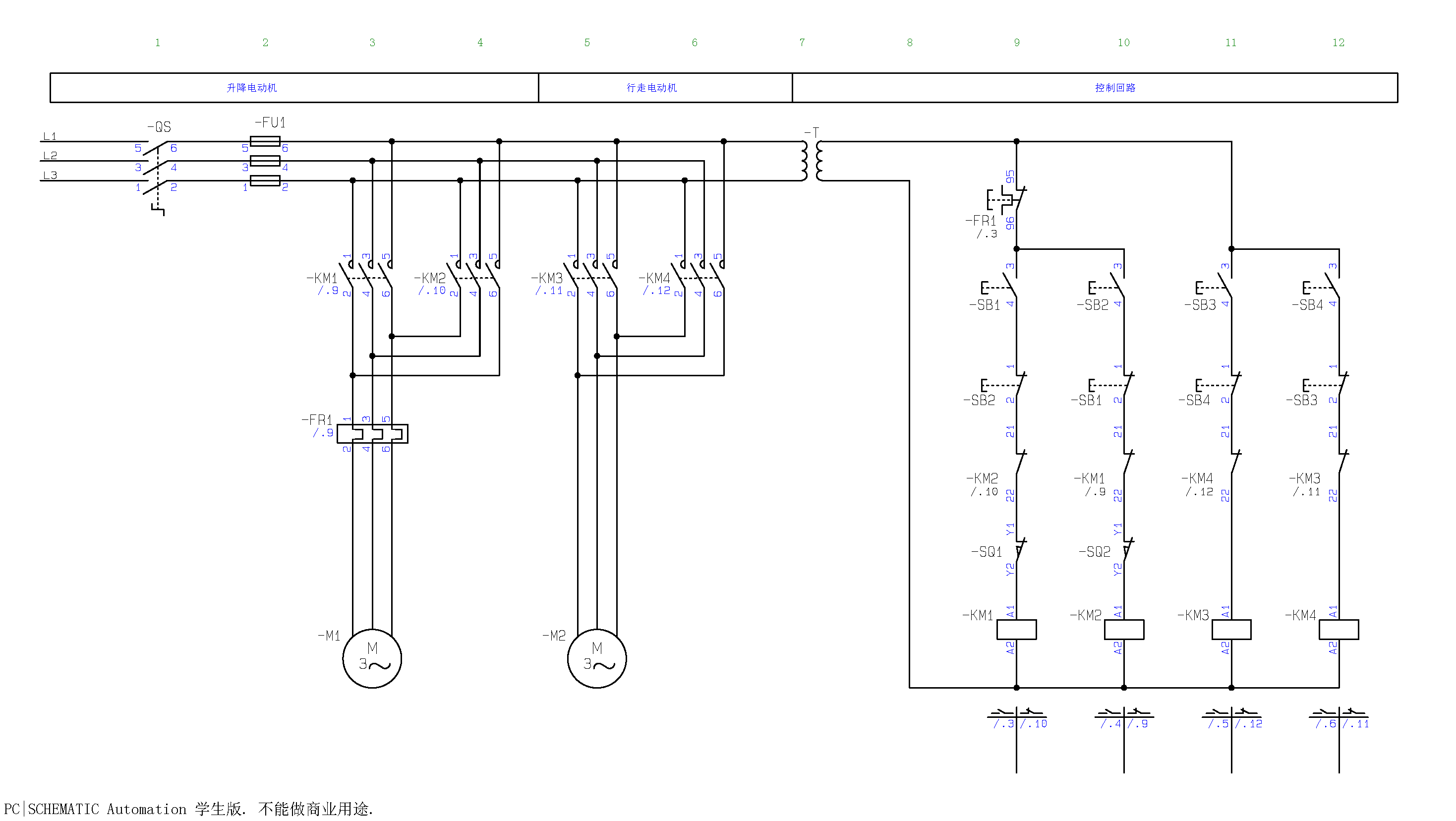
3 主电路绘制演示
-
4 控制电路绘制演示
上一节
下一节
电动 葫 芦 的 电 气 控 制图解
起重运输设备种类很多,电动葫芦是将电动机、减速器、卷筒、制动装置和运行小车等紧凑地合为一体的起重设备。它有两台电动机分别拖动提升和移动机构,具有重量较小、结构简单、成本低廉和使用方便的特点,主要用于厂矿企业的修理和安装工作。









