恒压供水
恒压供水是一种水利系统的供水方式。恒压供水能够保持供水压力的恒定,可使供水和用水之间保持平衡,即用水多时供水也多,用水少时供水也少,从而提高了供水的质量。
变频调速技术是一种新型成熟的交流电机无极调速技术,它以其独特优良的控制性能被广泛应用于速度控制领域,特别是供水行业中。恒压供水方式技术先进、水压恒定、操作方便、运行可靠、节约电能、自动化程度高。

变频恒压供水系统采用压力传感器、PLC和变频器作为中心控制装置。安装在管网干线上的压力传感器,用于检测管网的水压,将压力转化为4~20 mA的电流或者是0~10V的电压信号,提供给变频器。变频器按照水压恒定需要将0~50 Hz的频率信号供给水泵电机。变频器根据恒压时对应的电压设定值与从压力传感器获得的反馈电流信号,利用PID控制宏自动调节,改变频率输出值来调节所控制的水泵电机转速,以保证管网压力恒定要求。当管网压力不足时,变频器增大输出频率,水泵转速加快,供水量增加,迫使管网压力上升。反之水泵转速减慢,供水量减小,管网压力下降,保持恒压供水。


西门子200SMART恒压供水系统项目
内容源自搜狐网:https://www.sohu.com/a/270696085_659430
1. 实验目的
恒压供水系统,密闭在水池地下,三台主泵加一台辅佐泵。用水量少或没有用水时,只开辅佐泵。当检测到水压变低时,系统自动增加泵或者改变抽水速度,满足用水增大的需求。当压力变大或超高时。系统自动减泵或降低抽水速度。供水压力分为:生活供水压力设定值为 0.02MPA,消防供水压力设定值为 0.04MPA.
2.实验设备
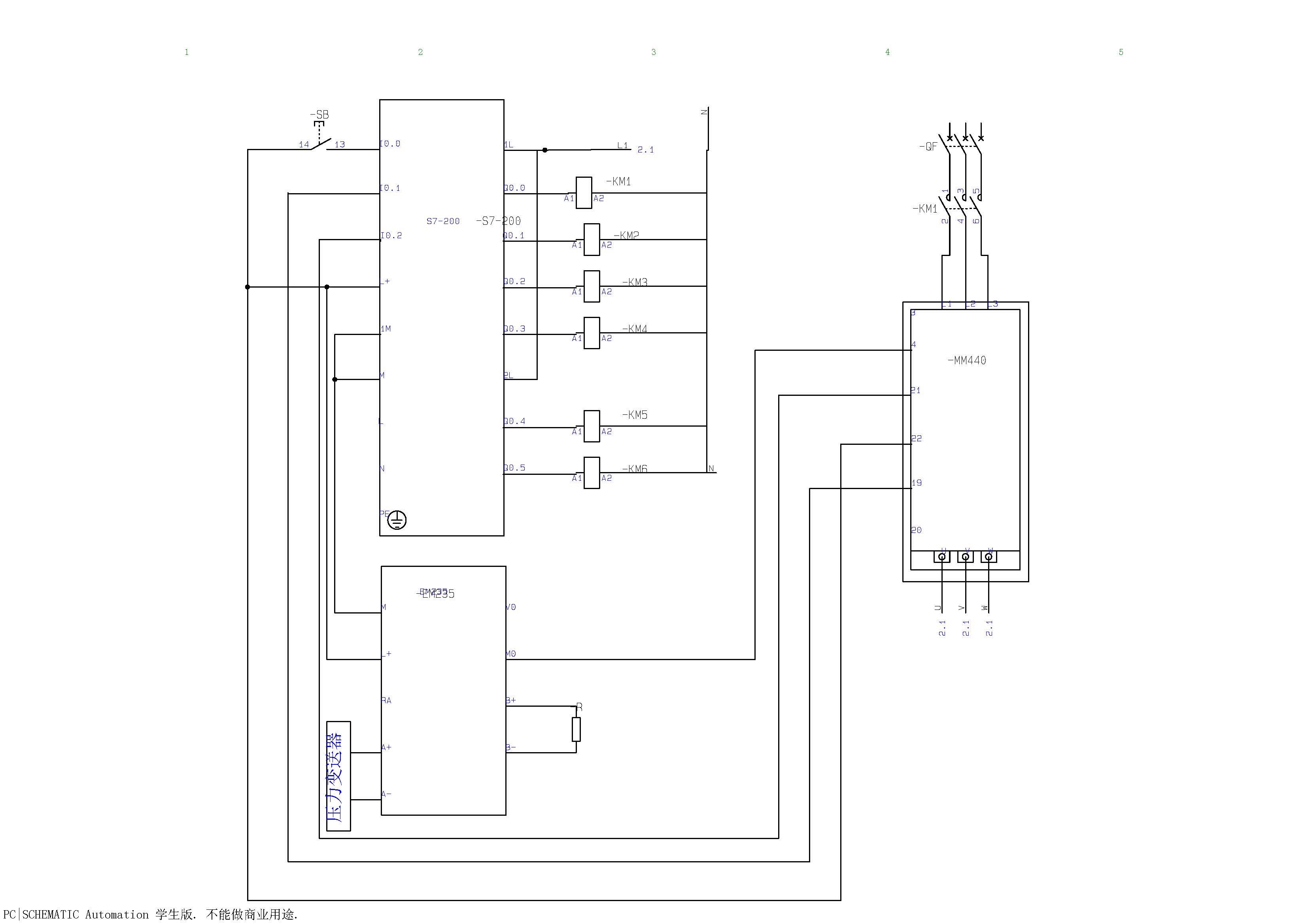
西门子CPU-200SMART PLC(ST30)
HD700变频器(220V)
中间继电器
压力变送器(0-10V)(0-0.1MPa)
电机


3 实验要求
A. 控制模式分为:手动和自动控制模式
B. 自动控制模式下,具有泵号管理功能:三种工作规律按天(24 小时)进行切换。工作 24 小时到后,先停止所有工作泵,延时 3S,确认所有工作泵都停止后,然后切换为下一组规律,三种规律周而复始,重复运作。
三种运行规律分别为:
运行规律 1 为:1#泵变频运行-------2#泵变频运行和 1#泵工频运行-------3#泵变频运行及 2#泵工频运行和 1#泵工频运行
运行规律 2 为:2#泵变频运行-------3#泵变频运行和 2#泵工频运行--------1#泵变频运行及 2#泵工频运行和 3#泵工频运行
运行规律 3 为:3#泵变频运行-------1#泵变频运行和 3#泵工频运行--------2#泵变频运行及 1#泵工频运行和 3#泵工频运行
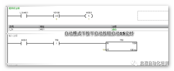
C. 自动档状态下,1.没有按下启动按钮时,只开动辅佐泵。启动后,关闭辅佐泵。2.按下启动按钮后,如果输出频率在 48HZ 以上,且工作时间超过 5Min,需要自动增泵, 如果输出频率在 25HZ 以下,且工作时间超过5Min,需要自动减泵。
D. 切换为手动档控制模式下:1.首先复位所有自动档的标志位 2.按下停止按钮,立刻停止所有泵 3.单按钮实现步进增泵,然后步进减泵。
1). 第一次按下启动按钮:1#泵变频运行
2). 第二次按下启动按钮:2#泵变频运行和 1#泵工频运行
3). 第三次按下启动按钮:3#泵变频运行和 1#泵工频运行及 2#泵工频运行
4). 第四次按下启动按钮:2#泵变频运行和 1#泵工频运行
5). 第五次按下启动按钮:1#泵变频运行
6). 第六次按下启动按钮:停止 1#泵变频,复位为初始状态
二,符号表命名

I_Sp M0.0 停止
I_St M0.1 启动
I_生活用水 M0.3 生活用水
I_消防用水 M0.7 消防用水
I_报警 M0.4 过流报警
I_自动模式 M1.1 自动模式
I_手动模式 M10.7 手动模式
O_变频器 Q0.0 变频器
O_变频主泵1 Q0.1 1号主泵变频运行
O_变频主泵2 Q0.2 2号主泵变频运行
O_变频主泵3 Q0.3 3号主泵变频运行
O_工频主泵1 Q0.4 1号主泵工频运行
O_工频主泵2 Q0.5 2号主泵工频运行
O_工频主泵3 Q0.6 3号主泵工频运行
O_辅佐泵 Q0.7 辅佐泵
V_设定压力 VD700 自动模式设定的水压
V_设定频率 VD704 手动模式设定的频率
V_当前频率 VD0 变频器当前频率
V_当前压力 VD4 当前压力
三.程序













第四.触摸屏

使用人员必须选择对应的用户和密码才可进入

监控窗口-可检测水压和频率.
点击控制窗口可弹出下面的控制界面

触摸屏控制面板-可设定手动模式下的频率和自动模式下的水压.
由于数字量设置的为0-100对应的0-0.1MPa,所以输入的为0-100的浮点数(20-0.02MPa)

按下启动按钮后实时数据里的趋势图开始显示

历史数据可查询前面发生的问题

报警画面-当电机过流时立即发生警报并记录下来.

用户管理-只有工程师可以更改密码,更改完密码后要点击密码重置按钮进行密码重置.