-
1
-
2 习题
制造滑动轴承(bearing)的轴瓦及其内衬的耐磨合金称为轴承合金。滑动轴承是许多机器设备中对旋转轴起支撑作用的重要部件,由轴承体和轴瓦两部分组成。与滚动轴承相比滑动轴承具有承载面积大,工作平稳,无噪音及拆装方便等优点。
一、组织性能要求
当轴高速旋转时,轴瓦除与轴颈发生强烈摩擦外,还要承受轴颈施加的交变载荷和冲击力。因此要求轴承合金具有以下性能:
⑴ 足够的强韧性,以承受轴颈施加的压力、冲击及交变载荷。
⑵ 较小的热膨胀系数,良好的导热性和耐蚀性,以防止轴与轴瓦之间咬合。
⑶ 较小的摩擦系数,良好的耐磨性和磨合性,以减少轴颈磨损,保证轴与轴瓦间良好的跑合。
为满足上述性能要求,轴承合金的组织应是软的基体上分布着硬的质点或硬的基体上分布着软的质点。当轴旋转时,软的基体(或质点)被磨损而凹陷,减少了轴颈与轴瓦的接触面积,有利于储存润滑油和轴与轴瓦间的磨合,而硬的质点(基体)则支撑着轴颈,起承载和耐磨作用。此外,软基体(或质点)还能起嵌藏外来硬杂质颗粒的作用,以避免擦伤轴颈。
二、常用轴承合金
工业上应用的轴承合金很多,常用的有锡基、铅基、铜基和铝基轴承合金等,其中锡基和铅基轴承合金又称巴氏合金,是应用最广的轴承合金。常用轴承合金的牌号、化学成分、力学性能及用途列于表8-8。
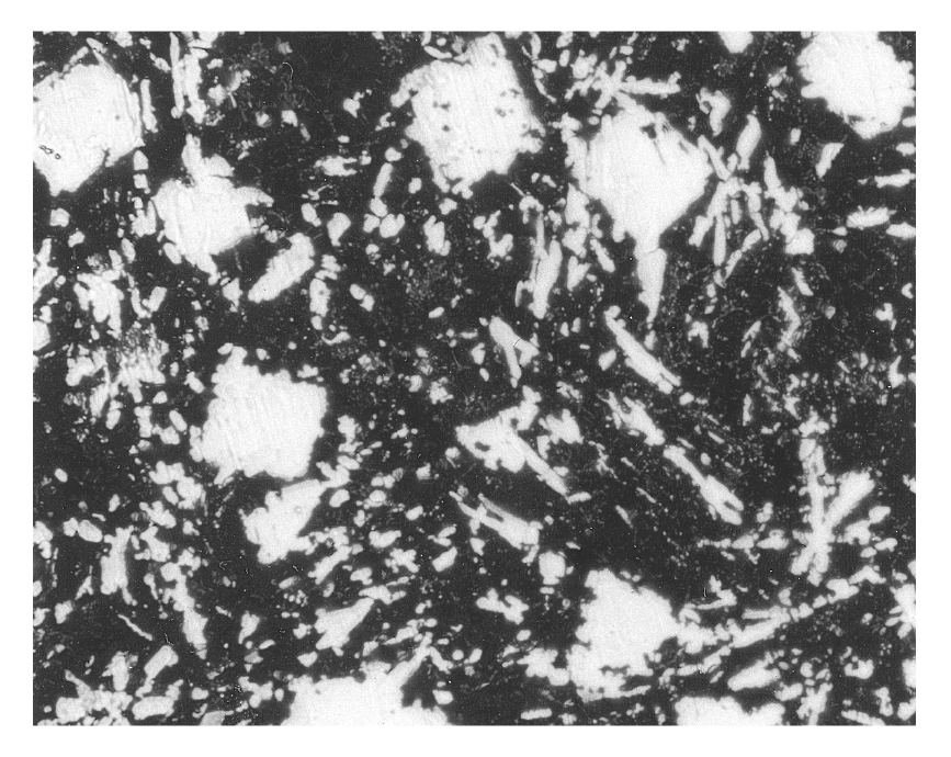
1、锡基轴承合金 是以锡为主并加入少量锑、铜等元素组成的合金,熔点较低,是软基体硬质点组织类型的轴承合金。典型牌号为ZSnSb11Cu6,其显微组织如图8-7所示。图中暗色组织为锑在锡中的a固溶体(软基体),白色方块是以SbSn化合物为基的固溶体(b’相硬质点),加铜是为了防止b’相发生比重偏析,铜与锡形成星状的Cu3Sn枝架,可避免b’相上浮。锡基轴承合金具有较高的耐磨性、导热性、耐蚀性和嵌藏性,摩擦系数和热膨胀系数小,但疲劳强度较低,工作温度不超过150℃,价格高。广泛用于重型动力机械,如气轮机、涡轮机和内燃机等大型机器的高速轴瓦。
2、铅基轴承合金 是以铅为主加入少量锑、锡、铜等元素的合金,也是软基体硬质点型轴承合金。典型牌号为ZPbSb16Sn16Cu2,其显微组织如图8-8所示。软基体为(a+b)共晶体,硬质点为白色方块状化合物SnSb,加铜可形成针状化合物Cu3Sn,防止比重偏析。铅基轴承合金的强度、硬度、耐蚀性和导热性都不如锡基轴承合金,但其成本低,高温强度好,有自润滑性。常用于低速、低载条件下工作的设备,如汽车、拖拉机曲轴的轴承等。
锡基和铅基轴承合金强度比较低,为提高其承载能力和使用寿命,生产上常采用离心浇注法,将它们镶铸在低碳钢轴瓦上,形成一层薄而均匀的内衬,成为双金属轴承。



图8-7 ZSnSb11Cu6合金的显微组织 400× 图8-8 ZPbSb16Sn16Cu2合金的显微组织 400×
3、铜基轴承合金 常用的牌号有ZCuSn10P1、ZCuSn5Pb5Zn5等锡青铜和ZCuPb30等铅青铜。前者强度高,适于制造中速、承受较大载荷的轴承,如电动机、泵、机床上用的轴承。后者具有高的耐磨性、疲劳强度、导热性和低的摩擦系数,工作温度可达350℃,适于制造高速、重载条件下工作的轴承,如航空发动机、高速柴油机、气轮机上的轴承。
4、铝基轴承合金 这类合金常含有锡、铜、锑、镁等元素,典型牌号为ZAlSn6Cu1Ni1。铝基轴承合金密度小,导热性好,疲劳强度高,价格低廉,广泛用于高速、高负荷条件下工作的轴承,如重型汽车、拖拉机、内燃机的轴承。

