4.3.1 受弯构件斜截面受剪承载力的计算
在斜截面承载力计算时,剪压破坏用受剪承载力计算保证,斜压破坏通过控制截面的最小尺寸来防止,斜拉破坏通过规定最小配箍率及构造要求来防止。
斜截面受剪承载力的计算是以剪圧破坏形态为依据建立的,《规范》引入了以下假定:
(1) 剪圧破坏时,与斜裂缝相交的箍筋和弯起钢筋的拉应力都达到其屈服强度,但要考虑拉应力可能不均匀,特别是靠近剪圧区的箍筋有可能达不到其屈服强度。
(2) 斜裂缝处的骨料咬合力和纵筋的销栓力, 考虑其有不能发挥作用的可能性,计算时忽略不计。
(3) 截面尺寸的影响主要对无腹筋梁,故在不配箍筋和弯起钢筋的厚板计算时才予以考虑。
(4) 剪跨比是影响斜截面受剪承载力的重要因素之一,为了计算公式简便,仅在计算受集中荷载为主的梁时才考虑其影响。
(5) 为简化计算,设计规范对连续梁和简支梁采用了相同的计算公式。


斜截面受剪承载力的计算是以剪圧破坏形态为依据建立的。我国采用理论与试验相结合的方法,主要考虑力的平衡条件,同时引入一些试验参数。其计算模型如图4-5所示,由发生剪圧破坏时力的平衡条件得
式中:Vu——梁所能承受的总剪力设计值;Vc ——混凝土剪圧区所承受的剪力设计值;
Vs——箍筋所承受的剪力设计值; Vsb——弯起钢筋所承受的剪力设计值。
1.斜截面承载力计算公式
(1)不配置箍筋和弯起钢筋的板类受弯构件
板类构件通常承受的荷载不大,剪力较小,而且板类构件的截面宽度较大,因此,一般不必进行斜截面承载力的计算,也不配箍筋和弯起钢筋。但是,随着板厚的增加,其抗剪承载能力会随之降低,对无腹筋粱和不配置箍筋和弯起钢筋的一般板类受弯构件,其斜截面受剪承载力应按式(4-14)计算。
(4-14)
式中:βh——截面高度影响系数,βh=(800/h0)1/4,当h0 <800mm,取h0 =800mm;当h0 >2000mm,取h0 =2000mm。
(2)仅配箍筋的梁
对于矩形、T形和工形截面受弯构件,《规范》给出Vcs计算公式如下:
(4-15)
式中:αsv——斜截面受剪承载力系数,对于一般受弯构件取αsv=0.7;对于承受以集中荷载为主(包括作用有多种荷载,且集中荷载对支座截面或节点边缘所产生的剪力值占总剪力值的75%以上的情况)的独立梁,取αsv=1.75/(λ+1),λ为计算截面的剪跨比,当λ<1.5 时,取λ=1.5;当λ>3时,取λ=3。
(2)配箍筋和弯起钢筋的梁
当梁承受的剪力较大时,如仅配箍筋则所需的箍筋直径较大或间距过小时,可以考虑将部分不需要的纵筋弯起,形成配箍筋和弯起钢筋的梁。考虑到靠近剪压区的弯起钢筋的应力可能达不到抗拉强度设计值时的折减系数0.8,则弯起钢筋的受剪承载力为
(4-17)
式中:Asb——同一弯起平面内弯起钢筋截面面积;
αs ——斜截面上弯起钢筋与构件纵向轴线的夹角。 一般为45°,当梁的截面超过800mm时,通常为60°。
由此得出,矩形、T形和工形截面的受弯构件,当同时配有箍筋和弯起钢筋时的斜截面受剪承载力计算公式:
(4-18)
(3)斜截面受剪承载力设计表达式
在设计中为保证斜截面受剪承载力,应满足关系式:
1)仅配箍筋的梁
V≤Vcs (4-19)
2)同时配箍筋和弯起钢筋的梁
V≤Vcs+Vsb (4-20)
式中:V——构件斜截面上的最大剪力设计值。
2.斜截面受剪承载力计算公式的适用条件
(1)防止斜压破坏的条件
从式(4-19)及式(4-20)来看,似乎只要增加箍筋或弯起钢筋,就可以将构件的抗剪能力提高到任何所需要的程度,但事实并非如此。实际上当构件截面尺寸较小而荷载又过大时,可能在支座上方产生过大的主压应力,使端部发生斜压破坏。这种破坏形态的构件斜截面受剪承载力基本上取决于混凝土的抗压强度及构件的截面尺寸,而腹筋的数量影响甚微。所以腹筋的受剪承载力就受到构件斜压破坏的限制。为了防止发生斜压破坏和避免构件在使用阶段过早地出现斜裂缝及斜裂缝开展过大,构件截面尺寸或混凝土强度等级应符合下列要求:
1)当hw/b≤4时
对一般梁 V≤0.25βc fcbh0 (4-21)
对T形或工形截面简支梁,当有实践经验时,
V≤0.3βc fcbh0 (4-22)
2)当hw/b≥6(薄腹梁)时
V≤0.2βcfcbh0 (4-23)
3)当4<hw/b<6时,按线性内插法取用。
式中:V——构件斜截面上的最大剪力设计值;
βc——混凝土强度影响系数:当混凝土强度等级不超过C50时,取βc=1.0;当混凝土强度等级为C80时,取βc=0.8;其间按线性内插法取用;
fc——混凝土轴心抗压强度设计值; b——矩形截面的宽度,T形或工形截面的腹板宽度; hw——截面的腹板高度:矩形截面取有效高度h0,T形截面取有效高度减去翼缘高度h0-hf' ,工
形截面取腹板净高h -hf' -hf,如图4-12所示。
图4-12 梁的腹板高度
(2)防止斜拉破坏的条件
腹筋的抗剪作用只是在箍筋和斜筋(弯起钢筋)具有一定密度和一定数量时才有效。如腹筋布置得过少过稀,即使计算上满足要求,仍可能出现斜截面受剪承载力不足的情况。
1)配箍率要求
箍筋配置过少,一旦斜裂缝出现,由于箍筋的抗剪作用不足以替代斜裂缝发生前混凝土原有的作用,箍筋很可能达到屈服甚至被拉断,就会发生突然性的斜拉破坏。为了防止发生斜拉破坏,规范规定了箍筋配箍率的最小配筋率要求:
(4-24)
式中:ρsv,min——箍筋的最小配筋率。
2)腹筋间距要求
如腹筋间距过大,有可能在两根腹筋之间出现不与腹筋相交的斜裂缝,这时腹筋便无从发挥作用(图4-13)。同时箍筋分布的疏密对斜裂缝开展宽度也有影响,采用较密的箍筋对抑制斜裂缝宽度有利。为此有必要对腹筋的最大间距smax加以限制,如表4-1所示。
s1-支座边缘到第一根弯起钢筋或箍筋的距离 s-弯起钢筋或箍筋的间距
图4-13 腹筋间距过大时产生的影响
当梁中配有按计算需要的纵向受压钢筋时,箍筋的间距不应大于15d(d为纵向受压钢筋的最小直径) 同时不应大于400mm;当一层内的纵向受压钢筋多于5根且直径大于18mm时,箍筋问距不应大于10d。
表4-1 梁中箍筋的最大间距(mm)
梁高h | V>0.7f tbh0 | V≤0.7f tbh0 |
150<h≤300 | 150 | 200 |
300<h≤500 | 200 | 300 |
500<h≤800 | 250 | 350 |
h>800 | 300 | 400 |
4.3.2 斜截面受剪承载力计算原理的工程应用
钢筋混凝土梁的承载力设计包括正截面承载力设计和斜截面承载力设计。一般先进行正截面承载力设计,初步确定截面尺寸和纵向钢筋后,再进行斜截面受剪承载力设计计算。
1.斜截面受剪计算截面
1)梁的受剪分析。计算剪力设计值时的计算跨度取构件的净跨度,即l0=ln。
2)计算截面选择。应按图4-14所示规定采用:
①支座边缘截面(1-1);
②受拉区弯起钢筋弯起点处的截面(2-2、4-3);
③箍筋直径或间距改变处截面(4-4);
④腹板宽度改变处截面。
图4-14 受剪计算斜截面
2.斜截面受剪计算步骤
(1)斜截面受剪承载力设计
1)验算截面尺寸。以式(4-21)或式(4-23)验算构件截面尺寸是否满足斜截面受剪承载力要求。
2)验算是否需要配置箍筋。对于矩形、T形及工形截面受弯构件,如能满足
(4-25)则不需进行斜截面抗剪配筋计算,仅按构造要求设置腹筋。
3)如果式(4-25)不满足,说明需要按承载力计算配置腹筋。此时有两种方式。
①只配箍筋。当剪力完全由箍筋和混凝土承担时,对矩形、T形和工形截面的受弯构件,由式(4-15)及式(4-19)可得:
(4-27)
②既配箍筋又配弯起钢筋。当需要配置弯起钢筋、箍筋和混凝土共同承担剪力时,一般先根据正截面承载力计算确定的纵向钢筋情况,确定可弯起钢筋数量,按式(4-20)计算出Vsb,再按式(4-29)计算箍筋,即:
(4-29)
4)计算出Asv/s值后,选定箍筋肢数n,单肢箍筋直径d,根据
,可求出箍筋的间距s。选用箍筋的直径和间距应满足表4-9的构造要求。最后验算最小配箍率,满足(4-24)的要求。
(2)斜截面受剪承载力复核
1)验算配箍率,检查腹筋位置是否满足构件要求。若配箍率ρsv<ρsvmin,或腹筋间距s>smax,则按式(4-25)复核斜截面受剪承载力是否满足要求; 2)验算截面尺寸。若ρsv≥ρsv,min,且s≤smax,则按式(4-27)复核斜截面受剪承载力是否满足要求; 3)用上面计算的Vcs或Vcs+Vsb替代式(4-21)~式(4-23)中的V,验算构件截面尺寸和混凝土强度等级是否合适。若不满足要求,则根据其中一式计算斜截面受剪承载力并复核是否满足要求。
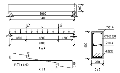
【例4-1】某T形截面简支梁,截面尺寸、剪力图、纵向钢筋如图4-15所示,净跨ln=4m。处于一类环境,安全等级为二级,γ0=1.0。承受集中荷载设计值600kN(忽略梁自重)。混凝土强度等级为C30,纵向钢筋采用HRB400级钢筋,箍筋采用HRB335级钢筋。试配抗剪腹筋。

【解】(1)支座边缘截面剪力设计值
VA=γ0 P×2500/4000=1.0×600×2500/4000=375kNVB=γ0 (600–375)=1.0×(600–375)=225kN
(2)截面尺寸复核
查附表1,C30混凝土,βc =1.0,fc =14.3N/mm2, ft =1.43N/mm2;
查附表3-2,一类环境,c =20mm,as=c+dsv+d+e/2=20+8+25+25/2=65.5mm,取65mm,h0=h–as=700–65=635mm。
hw=h0–hf'=635–200=435mm
hw/b=435/250=1.74<4.0
0.3βcfcbh0=0.3×1.0×14.3×250×635=681.0kN>VA= 375kN
故截面尺寸满足抗剪条件。
(3)验算是否需按承载力计算确定腹筋
AB段:
应按计算确定腹筋用量。
(4)腹筋计算
查附表4,HRB335级钢筋,fyv =300N/mm2
AB段:

因此,AB段配双肢箍φ10@110,BC段配双肢箍φ10@240。
【例4-2】已知某工作桥纵梁,梁截面尺寸b×h=250×600mm及计算简图如图4-16(a)所示。处于一类环境,安全等级为二级,γ0=1.0。梁上受均布荷载设计值q=20.0kN/m(包括自重)及集中力设计值Qk=110kN;梁中已配有纵向HRB335级钢筋4B22(As=1520mm2);混凝土强度等级为C25,箍筋为HPB300级钢筋。试配抗剪腹筋。
【解】(1)支座边缘截面剪力设计值
V=γ0[qln /2+Q]=1.0×[20×8.0/2+110]=190.0kN由此作出剪力图,如图4-16(b)所示。
图4-16 【例4-2】图 (尺寸单位:mm)
(2)截面尺寸验算查附表1,C25混凝土,βc =1.0,fc =11.9N/mm2,ft =1.27N/mm2;
查附表3-2,一类环境,c=20mm,则as=c+dsv+d/2=20+8+22/2=39mm,h0=h–39=600-39=561mm;
因 hw/b=561 / 250=2.24<4.0
则 0.25 βc fc bh0=0.25×1.0×11.9×250×561=417.2kN>VA= 190kN
截面尺寸满足抗剪要求。
(3)抗剪腹筋计算
在支座截面处,集中荷载产生的剪力与总剪力之比为

所以应按一般受弯构件公式计算。

应由计算确定腹筋用量。

选用双肢箍筋φ8,即Asv=100.6mm2
s≤100.6/0.424=236.9mm,取s=220mm<smax=250mm

满足要求。
故在支座至集中荷载作用点区段配双肢箍筋2φ8@220满足斜截面受剪承载力要求。对于两集中荷载作用点之间的区段,因V <Vc,按构造配置箍筋2φ8@350。