4.5 保证斜截面承载力的构造要求
4.5.1箍筋的构造要求
1.箍筋形式和肢数
箍筋的形式有封闭式和开口式两种,如图4-22所示。通常采用封闭式箍筋。对现浇T形截面梁,由于在翼缘顶部通常另有横向钢筋(如板中承受负弯矩的钢筋),也可采用开口式箍筋。当梁中配有按计算需要的纵向受压钢筋时。箍筋应作成封闭式,箍筋端部弯钩通常用135º,弯钩端部水平直段长度不应小于5d(d为箍筋直径)和50mm。
箍筋的肢数分单肢、双肢及复合箍(多肢箍),箍筋一般采用双肢箍,当梁宽b>400mm且一层内的纵向受压钢筋多于3根时,或当梁宽b<400mm但一层内的纵向受压钢筋多于4根时,应设置复合箍筋(图4-22c);梁截面高度减小时,也可采用单肢箍(图4-22a)。
图4-22 箍筋形式和肢数
2.箍筋的直径和间距
箍筋的直径应由计算确定,为保证箍筋与纵筋联系形成的骨架有一定的刚度,箍筋直径不能太小。《结构规范》规定:对截面高度h≤800mm的梁,其箍筋直径不宜小于6mm;对截面高度h>800mm的梁,其箍筋直径不宜小于8mm。当梁中配有计算需要的纵向受压钢筋时,箍筋直径尚不应小于纵向受压钢筋最大直径的0.25倍。
箍筋的间距一般应由计算确定。同时,为控制使用荷载下的斜裂缝宽度,防止斜裂缝出现在两道箍筋之间而不与任何箍筋相交,梁中箍筋间距应符合4-1的规定。
3.箍筋的布置
对按计算不需要配箍筋的梁,《结构规范》规定:
l)当截面高度h>300mm时,应沿梁全长设置箍筋;
2)当截面高度h=150~300mm时,可仅在构件端部各四分之一跨度范围内设置箍筋;但当在构件中部1/2跨度范围内有集中荷载作用时,则应沿梁全长设置箍筋;
3)当截面高度h<150mm时,可不设箍筋。
4.5.2纵向受力钢筋的构造要求
1.纵向受力钢筋的锚固
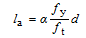
(1)受拉钢筋的基本锚固长度
根据上述对影响钢筋与混凝土之间粘结性能的因素分析,通过大量试验研究并进行可靠度分析,
得出考虑主要因素即钢筋的强度、混凝土的强度和钢筋的表面特征,得到当计算中充分利用钢筋的抗拉强度时,受拉钢筋的基本锚固长度计算公式为:
(4-36)
式中:la——受拉钢筋的锚固长度,应不小于250mm;
fy——钢筋的抗拉强度设计值,取值见附表1-6;
ft——混凝土轴心抗拉强度设计值,取值见附表1-2。为了保证高强混凝土中钢筋的锚固长度不致太短,当混凝土强度等级>C60时,按C60取值;
d——钢筋的直径;
α——钢筋的外形系数,按表4-3取值。
表4-3锚固钢筋的外形系数a

(2)钢筋的锚固长度的修正
受拉钢筋的锚固长度的修正时要考虑以下因素:
1)粗直径钢筋的修正
当带肋钢筋直径增大时,其横肋的相对高度逐渐减小,随以加密肋距来弥补由此而引起的咬合力不足,钢筋的锚固强度仍随钢筋直径加粗而减小。因此,当带肋钢筋的直径大于25mm时,锚固长度应乘以修正系数1.1。
2)环氧树脂涂层钢筋的修正
钢筋表面涂层会减小其与混凝土之间的粘结性能,试验研究表明,锚固强度将降低20%左右。因此,环氧树脂涂层带肋钢筋的锚固长度应乘以修正系数1.25。
3)施工扰动的修正
当钢筋在混凝土施工过程中易受扰动(如滑模施工)时,由于混凝土在凝结前受到扰动而影响与钢筋的粘结固作用,锚固长度应乘以修正系数1.1。
4)配筋余量的修正
基本锚固长度计算公式(4-35)是在充分利用钢筋强度的条件下建立的,而实际结构中锚固钢筋的实际应力很可能明显小于其设计强度。因此如有充分依据和可靠措施且结构没有抗震设防要求也不直接承受动力荷载,当受力钢筋实际配筋面积大于其设计计算值时,其锚固长度可乘以设计计算面积与实际配筋面积的比值,但修正后的锚固长度不小于0.7la以满足构造要求。
5)保护层厚度的修正
当带肋钢筋在锚固区的混凝土保护层厚度较大时,其锚固长度可以适当减小,可乘以修正系数,如表4-4。
表4-4 保护层厚度较大时的锚固长度修正系数
保护层厚度 | 不小于3d | 不小于4d |
侧边、角部 | 0.8 | 0.7 |
厚保护层 | 0.7 | 0.6 |
6)机械锚固的修正
图4-23 钢筋机械锚固的形式及构造措施
当受力钢筋的锚固长度有限,靠自身的锚固性能无法满足其承载力要求时,可在受力钢筋的末端采用机械锚固措施(如图4-23)。但机械锚头充分受力时,往往引起很大的滑移和裂缝,因此仍需要一定的钢筋锚固长度于其配合,可按表4-5取值。对于HRB、HRBF和RRB级钢筋,其锚固长度应取0.7 la。同时,为增强锚固区域的局部抗压能力,避免出现混凝土局部受压破坏,锚固长度范围内的箍筋不应少于3个,其直径不应小于锚固钢筋直径的0.25倍,间距不应大于锚固钢筋直径的5倍,且不大于 100mm。当锚固钢筋的保护层厚度大于钢筋直径的5倍时,可不配上述箍筋。
受压钢筋的粘结锚固机理与受拉钢筋基本相同,但钢筋受压后的镦粗效应加大了界面的摩擦力及咬合作用,对锚固有利,因此受压钢筋的锚固长度可以减小。当计算中充分利用纵向钢筋受压时,其锚固长度可取为受拉锚固长度的0.7倍。
表 4-5 钢筋机械锚固的形式及修正系数ψa
(3)钢筋在支座处的锚固
1)简支支座
对于简支梁和连续梁简支端支座,钢筋受力较小,因此,当梁端剪力V≤0.7ftbh0 时,支座附近不会出现斜裂缝,纵筋适当伸入支座即可。但当剪力V>0.7f tbh0时,可能出现斜裂缝,这时支座处的纵筋拉力由斜裂缝截面的弯矩确定。从而使支座处纵筋拉应力显著增大,若无足够的锚固长度,纵筋会从支座内拔出,发生斜截面弯曲破坏。为此,钢筋混凝土简支梁和连续梁简支端的下部纵向受力钢筋,其伸入支座范围内的锚固长度las 应符合下列规定:
①当V≤0.7f tbh0时:las≥5d;
当V>0.7f tbh0时:带肋钢筋,las≥12d;光面钢筋,las≥15d。
②如纵向受力钢筋伸入梁支座范围内的锚固长度不符合上述要求,应采取再钢筋上加焊锚固钢板或将钢筋端部焊接在梁端预埋件上等有效锚固措施,如图4-24所示。
图4-24 纵向钢筋端部的锚固措施
③支承在砌体结构上的钢筋混凝土独立梁,在纵向受力钢筋的锚固长度las范围内应配置不少于两根箍筋,其直径不宜小于纵向受力钢筋最大直径的0.25倍,间距不宜大于纵向受力钢筋最小直径的10倍;当采用机械锚固措施时,箍筋间距尚不宜大于纵向受力钢筋最小直径的5倍。
④对混凝土强度等级为C25及以下的简支梁和连续梁的简支端,当距支座边1.5h 范围内作用有集中荷载,且V>0.7f tbh0时,对带肋钢筋宜采取附加锚固措施,或取锚固长度las≥15d。
⑤简支板或连续扳下部纵向受力钢筋伸入支座的锚固长度不应小于5d,d为下部纵向受力钢筋的直径。当连续板内温度、收缩应力较大时,伸人支座的锚固长度宜适当增加。
当采用焊接网配筋时,其末端至少应有一根横向钢筋配置在支座边缘内,如图4-25(a)所示;当不能符合上述要求时,应将受力钢筋末端制成弯钩,如图4-25(b)所示;或在受力钢筋末端加焊附加的横向锚固钢筋,如图4-25(c)所示。当 V>0.7ftbh0 时,配置在支座边缘内的焊接网横向锚固钢筋不应小于2根,其直径不应小于纵向受力钢筋直径的一半。

图4-25 焊接网在板的自由支座上的锚固
2)中间支座
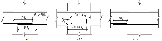
连续梁在中间交座处,一般上部纵向钢筋受拉,应贯穿中间支座节点或中问支座范围。下部钢筋受压,其伸入支座的锚固长度分三种情况考虑:
①当计算中充分利用支座边缘处下部纵筋的抗压强度时,下部纵向钢筋应按受压钢筋锚固在中间支座处,此时其直线锚固长度不应小于0.7la ;下部纵向钢筋也可伸过节点或支座范围,并在梁中弯矩较小处设置搭接接头。如图4-26所示;
图4-26 梁下部纵向钢筋在中间节点或中间支座范围内的锚固与搭接
②当计算中充分利用钢筋的抗拉强度时,下部纵向钢筋应锚固在节点或支座内,此时可采用直线锚固形式,钢筋的锚固长度不应小于la;
③当计算中不利用支座边缘处下部纵筋的强度时,考虑到当连续梁达到极限荷载时,由于中间支座附近的斜裂缝和粘结裂缝的发展,钢筋的零应力点并不对应弯矩图反弯点,钢筋拉应力产生平移,使中间支座下部受拉。因此不论支座边缘内剪力设计值的大小,其下部纵向钢筋伸入支座的锚固长度 las,应满足简支支座V>0.7f tbh0时的规定。
2.纵向受力钢筋的搭接
(1)钢筋连接的原则
由于结构中实际配置的钢筋长度与供货长度不一致,将产生钢筋的连接问题。钢筋的连接需要满足承载力、刚度、延性等基本要求,以便实现结构对钢筋的整体传力。钢筋的连接形式有绑扎搭接、机械连接和焊接,应遵循如下基本设计原则:
1)接头应尽量设置在受力较小处,以降低接头对钢筋传力的影响程度。
2)在同一钢筋上宜少设连接接头,以避免过多的削弱钢筋的传力性能。
3)同一构件相邻纵向受力钢筋的绑扎搭接接头宜相互错开,限制同一连接区段内接头钢筋面积率,以避免变形、裂缝集中于接头区域而影响传力效果。
4)在钢筋连接区域应采取必要构造措施,如适当增加混凝土保护层厚度或调整钢筋间距,保证连接区域的配箍,以确保对被连接钢筋的约束,避免连接区域的混凝土纵向劈裂。
(2)绑扎搭接
钢筋的绑扎搭接连接利用了钢筋与混凝土之间的粘结锚固作用,因比较可靠且施工简便而得到广泛应用。但是,因直径较粗的受力钢筋绑扎搭接容易产生过宽的裂缝,故受拉钢筋直径大于28mm、受压钢筋直径大于32mm时不宜采用绑扎搭接。轴心受拉及小偏心受拉构件的纵向钢筋,因构件截面较小且钢筋拉应力相对较大,为防止连接失效引起结构破坏等严重后果,故不得采用绑扎搭接。承受疲劳荷载的构件,为避免其纵向受拉钢筋接头区域的混凝土疲劳破坏而引起连接失效,也不得采用绑扎搭接接头。
钢筋绑扎搭接接头连接区段的长度为1.3倍搭接长度。凡搭接接头中点位于该连接区段长度内的搭接接头均属于同一连接区段(如图4-27)。同一连接区段内纵向钢筋搭接接头面积百分率为该区段内搭接接头的纵向受力钢筋截面面积与全部纵向受力钢筋截面面积的比值。
位于同一连接区段内的受拉钢筋搭接接头面积百分率:对于梁、板和墙类构件,不宜大于25%;对于柱类构件,不宜大于50%。当工程中确有必要增大受拉钢筋搭接接头面积率时,对于梁类构件,不应大于50%;对于板类、墙类及柱类构件,可根据实际情况放宽。
纵向受拉钢筋绑扎搭接接头的搭接长度应根据位于同一连接区段内的钢筋搭接接头面积百分率按下列公式计算,且不得小于300mm。
(4-37)
式中:ll——纵向受拉钢筋的搭接长度;
la ——纵向受拉钢筋得锚固长度;
z——纵向受拉钢筋搭接长度修正系数,取值见表4-6。
表4-6 纵向受拉钢筋搭接长度修正系数z

在任何情况下,纵向受拉钢筋绑扎搭接接头的搭接长度均不应小于300mm。构件中的纵向受压钢筋,当采用搭接连接时,其受压搭接不应小于0.7 ll,且不小于200mm。
4.5.3弯起钢筋的构造要求
1.弯起钢筋的间距
当设置抗剪弯起钢筋时,为防止弯起钢筋的间距过大,出现不与弯起钢筋相交的斜裂缝,使弯起钢筋不能发挥作用,当按计算需要设置弯起钢筋时前一排(对支座而言)弯起钢筋的弯起点到次一排弯起钢筋弯终点的距离不得大于表4-2中V>0.7ftbh0栏规定的箍筋最大间距,且第一排弯起钢筋距支座边缘的距离也不应大于箍筋的最大间距。
图4-29 弯起钢筋最大间距
2.弯起钢筋的锚固长度
在弯起钢筋的弯终点外应留有平行于梁轴线方向的锚固长度,其长度在受拉区不应小于20d,在受压区不应小于10d,此处,d为弯起钢筋的直径,光面弯起钢筋末端应设弯钩(如图4-30)。
图4-30 弯起钢筋的锚固
3.弯起钢筋的弯起角度
梁中弯起钢筋的弯起角度一般可取45º,当梁截面高度大于700mm时,也可为60º。梁底层钢筋中的角部钢筋不应弯起,顶层钢筋中的角部钢筋不应弯下。
4.弯起钢筋的形式
当为了满足材料抵抗弯矩图的需要,不能弯起纵向受拉钢筋时,可设置单独的受剪弯起钢筋。单独的受剪弯起钢筋应采用“鸭筋”,而不应采用“浮筋”,否则一旦弯起钢筋滑动将使斜裂缝开展过大(图4-31)。
(a)鸭筋; (b) 浮筋
图4-31 鸭筋和浮筋