5.8 对称配筋I形截面偏心受压构件正截面承载力计算
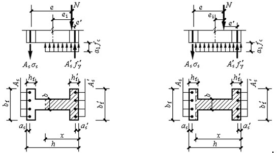
在现浇刚架及拱架中,由于结构构造的原因,经常出现I形截面的偏心受压构件;在单层工业厂房中,为了节省混凝土和减轻构件自重,对于截面高度大于600mm的柱,也常采用I形截面。
I形截面的一般截面形式如图5-28所示,其两侧翼缘的宽度及厚度通常是对应相同的,即bf'= bf 、hf'= hf ,翼缘厚度不宜小于120mm,腹板厚度b不宜小于100mm。

1.基本计算公式
因为I形截面偏心受压构件的正截面破坏特征与矩形截面的相似,同样存在大偏心受压和小偏心受压两种破坏情况。所以I形截面偏心受压构件的正截面承载力计算方法与矩形截面的也基本相同,区别只在于需要考虑受压翼缘的作用。
(1)大偏心受压情况
当截面受压区高度x小于ξbh0时,属于大偏心受压情况。按x的不同,可分为两类。
①当x≤hf' 时
截面受力情况如图5-29所示,受压区为矩形,整个截面相当于宽度为bf' 的矩形截面。
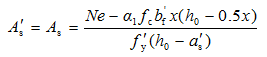
N≤α1 fc bf'x + fy′As′ -fy As (5-48)
Ne≤α1 fc bf'(h0-0.5x)+ fy′As′(h0- as') (5-49)
适用条件:x≥2 as'。
②当x>hf' 时
截面受力情况如图5-30所示,受压区为T形。
N≤α1 fc[bx+(bf' -b)hf' ] + fy′As′ -fy As (5-50)
Ne≤α1 fc [bx(h0-0.5x)+(bf' -b)hf'(h0-0.5hf')] + fy′As′(h0- as') (5-51)
适用条件:x≤ξbh0。
(2)小偏心受压情况
当截面受压区高度x大于ξbh0时,属于小偏心受压情况,按x的不同,也可分为两类。
①当x≤h -hf时
截面受力情况如图5-31所示,受压区仍为T形。
N≤α1 fc[bx+(bf' -b)hf' ] + fy′As′ -σs As (5-52)
(5-53)
②当x>h -hf时
截面受力情况如图5-32所示,受压区成为I形
N≤α1 fcAc + fy′As′ -σs As (5-54)
Ne≤α1 fc Sc+ fy′As′(h0- as') (5-55)
此时要求,x<h。
其中:Ac=bx+(bf' -b)hf'+(bf' -b)(x-h+hf)
Sc=bx(h0-0.5x)+(bf'-b)hf'(h0-0.5hf')+(bf -b)(x -h +hf)[hf -as-0.5(x -h+hf)]
图5-31 ξbh0<x≤hf' 时受力图示 图5-32 h -hf<x<h 时受力图示
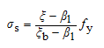
与矩形截面相同,钢筋应力σs可按下式计算:
(5-56)
按上式算得的钢筋应力需符合- fy′≤σs≤fy的要求。
当全截面受压(x≥h)时,应考虑附加偏心距ea与e0反向对As的不利影响,不计弯矩增大系数,取初始偏心距ei=e0-ea,按下式计算As:

(5-57)
2.对称配筋I形截面偏心受压构件正截面承载力设计
在实际工程中,I形截面一般按对称配筋原则进行配筋,即取As'=As、fy' = fy、as=as'。进行截面设计时,可分情况按下列方法计算。
(1)当N≤α1 fcbf'hf' 时,x≤hf',可按宽度为bf' 的大偏压矩形截面计算:
(5-58)
(5-59)
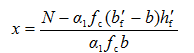
(2)当α1 fcbf'hf'≤N≤α1 fc [ξbbh0+(bf' -b)hf']时,hf'≤x≤ξbh0,可按大偏压处理:
(5-60)
(5-61)
(3)当N>α1 fc [ξbbh0+(bf' -b)hf']时,x>ξbh0,为了避免求解关于ξ的三次方程,可按下式计算ξ:
(5-62)
进而,可算得x=ξh0。如果x≤h -hf,则可代入式(5-53)计算得到As'=As;如果x>h -hf,则需按式(5-54)和(5-55)等式重新计算ξ,而后再计算As'=As。
【案例5-8】某对称I形截面柱,bf' =bf =400mm,b=100mm, hf'= hf=100mm,h=600mm,计算长度l0 =4.5m,处于一类环境。选用C30混凝土和HRB335级钢筋,承受轴向压力设计值N=726kN,弯矩设计值M=380kN·m。试按对称配筋原则计算纵筋用量。

1.某工字形截面柱,处于一类环境,截面尺寸b=100mm,h=600mm,bf=bf’=400mm, hf=hf’=112.5mm,,计算长度7.6m,截面控制内力设计值M=150kNm,N=650kN,选用C25混凝土和HRB335级钢筋。试按对称配筋原则确定该柱的纵筋用量。
2. 某工字形截面柱,处于一类环境,截面尺寸b=80mm,h=700mm,bf=bf’=360mm, hf=hf’=112mm,计算长度6.0m,截面控制内力设计值M=250kNm,N=400kN,选用C25混凝土和HRB335级钢筋。试按对称配筋原则确定该柱的纵筋用量。
大豆油混凝土液态保护剂——不走寻常路的大豆油
近日,美国一家创业公司表示,一种安全环保的新型液态混凝土保护剂即将上市。这种保护剂主要可适用于保护道路桥梁和其他基础设施建筑免受风化侵蚀,从而延长产品的使用寿命。
其主要特点就是可以使混凝土内部保持液态,同时也能阻止其他破坏性的液体流入,最主要的是这种混凝土液态保护剂主要生产原料是大豆油,生产和操作绝对安全无污染。
优势:
市场上传统混凝土保护剂的原理,是通过不同成分与氧气发生化学反应,在混凝土表面建立一层固体保护膜。而这种新型的混凝土液态保护剂内部有着像海绵网格一样的结构,当表面上的液体被吸收进孔隙,混凝土受到损坏时,它的作用就是可以防止潜在的破坏性流体进入混凝土的孔隙。
当然,这种产品的另一个优势就是以大豆油为原料,这样不仅大大降低了生产成本,更为混凝土建筑提供了十分重要的保护。而这种以大豆油为原料的混凝土液态保护剂也再一次刷新了人们对于传统食用大豆油的看法,不知道这么一来,大豆油的需求销量是否也会进一步提高呢?

以大豆油为原料的混凝土液态保护剂