分压式偏置放大电路
上一节
下一节
二 分压式偏置放大电路
一、分压式偏置放大电路的组成与特点
要研究分压式偏置放大电路必须要了解温度对静态工作点的影响。
(1)温度变化时对ICEQ的影响。
(2)温度变化对UBE的影响。
(3)温度变化对β的影响。
1.分压式偏置放大电路的组成
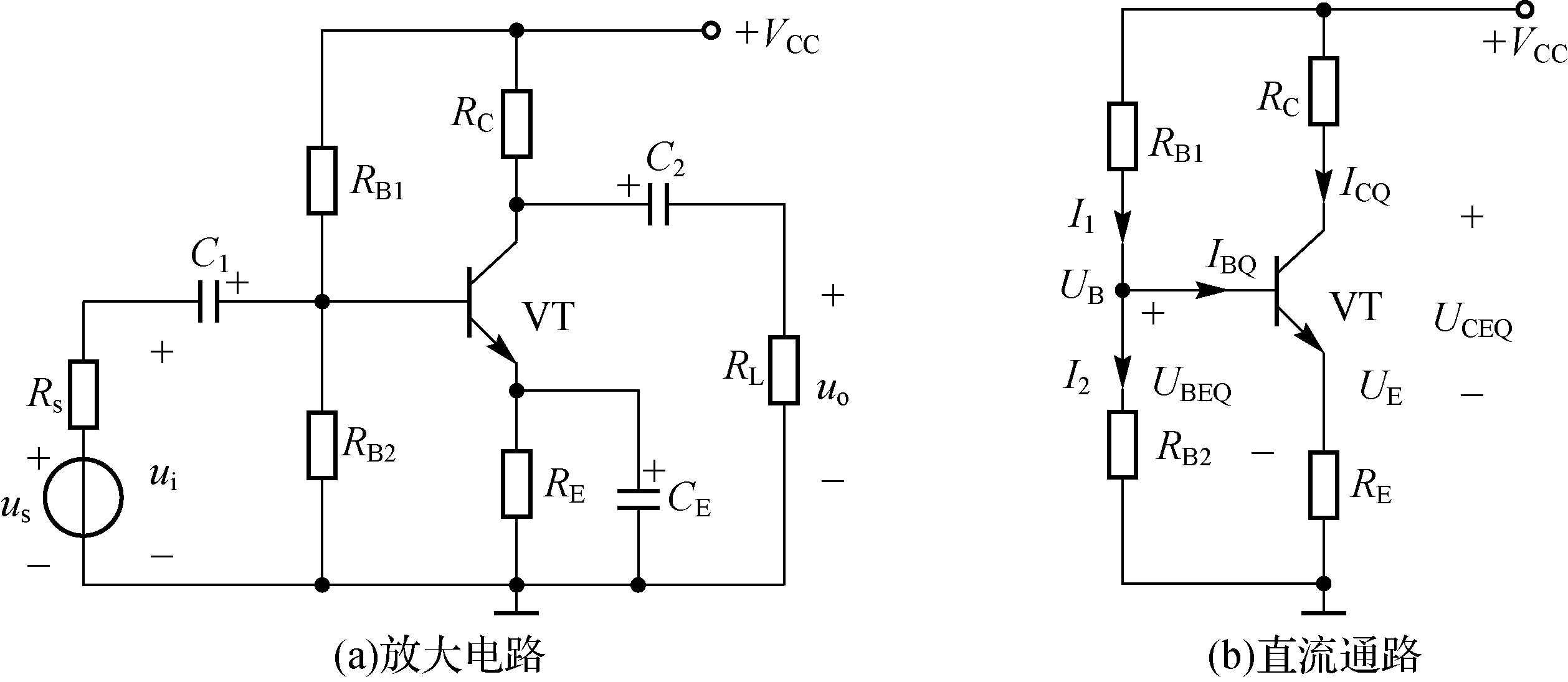
图7-16(a)所示为稳定静态工作点的共发射极放大电路,这是由RB1和RB2组成的分压式偏置电路,故称为分压式偏置放大电路。这种电路可以根据温度的变化自动调节基极电流IB,以削弱温度对集电极电流IC的影响,使静态工作点基本稳定。

图7-16 分压式偏置放大电路
2.分压式偏置放大电路的特点
二、分压式偏置放大电路的分析
1.静态分析
2.动态分析

图7-17 分压式偏置电路的交流通路

图7-18 分压式偏置电路的微变等效电路

