三 基本数字器件与功用
一、基本逻辑门电路
1.逻辑门电路的基本概念
在实际系统中,开关的通断、液位的高低、信号的强弱均可以由逻辑0和逻辑1表示。在数字电路中与这种二值逻辑变量相对应的是电子开关的通或断两种状态。而半导体二极管、三极管和MOS场效应管,是构成这种电子开关的最基本的开关元件
2.基本逻辑门电路
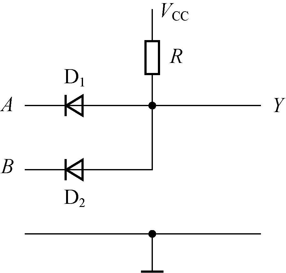
1)二极管与门

图9-23 二极管与门逻辑电路
2)二极管或门

图9-24 二极管或门
3)三极管非门

图9-25 三极管非门
3.复合逻辑门电路
除了上述介绍的逻辑门电路外,还有或非门、异或门、同或门等,基本门和常用复合门的逻辑符号、逻辑表达式及逻辑功能见表9-10。
二、TTL集成门电路
1.TTL与非门
1)TTL反相器的电路结构和工作原理

图9-26 TTL与非门电路图
典型TTL与非门的电路组成如图9-26所示,它由输入级、中间级、输出级三部分组成。
2)电压传输特性
3)输入端噪声容限
从电压传输特性上可以看到,当输入信号偏离正常的低电平(0.2 V)而升高时,输出的高电平并不立刻改变。同样,当输入信号偏离正常的高电平(3.4 V)而降低时,输出的低电平也不会立刻改变。因此,允许输入的高、低电平信号各有一个波动范围。在保证输出高、低电平基本不变(或者说变化的大小不超过允许限度)的条件下,输入电平的允许波动范围称为输入端噪声容限。
2.集电极开路与非门
3.三态门
〖补充知识〗
常用TTL集成门及其使用
考虑到国际上通用标准型号和我国现行国家标准,根据工作温度和电源电压允许工作范围的不同,我国TTL数字集成电路分为54系列和74系列两大类。CT54系列和CT74系列具有完全相同的电路结构和电气性能参数。所不同的是CT54系列TTL集成电路更适合在温度条件恶劣、供电电源变化大的环境中工作,常用于军品;而CT74系列TTL集成电路则适合在常规条件下工作,常用于民品。
三、COMS集成门电路
1.COMS非门电路
CMOS反相器的基本电路结构形式为图9-34所示的有源负载反相器。其中VT1是P沟道增强型MOS管,VT2是N沟道增强型MOS管。

图9-34 CMOS反相器
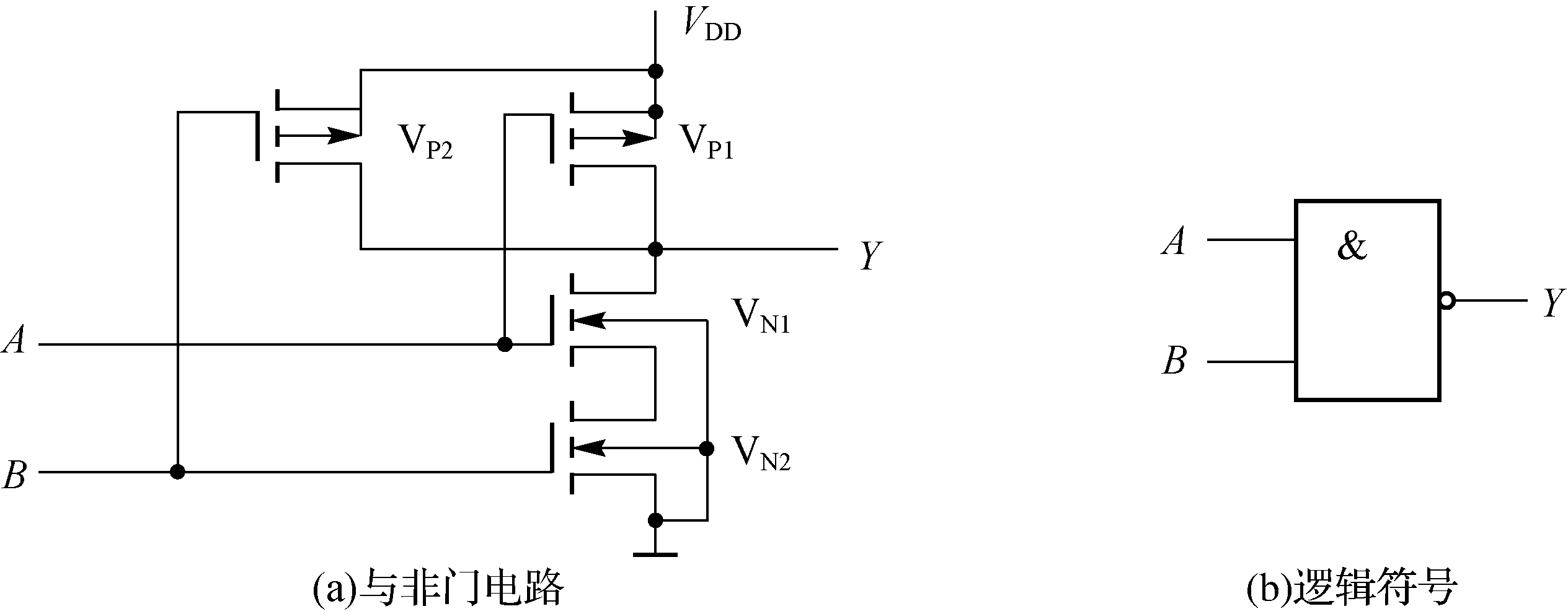
2.COMS与非门电路
CMOS与非门电路如图9-36(a)所示,图9-36(b)为其逻辑符号。

图9-36 COMS与非门及其逻辑符号
〖补充知识〗
1.CMOS 4000系列
CMOS 4000系列的工作电源电压范围为3~15 V。由于其具有功耗低、噪声容限大、扇出系数大等优点,使用已很普遍。但由于其工作频率低,最高工作频率不大于5 MHz,驱动能力差,门电路的输出电流约为0.51 mA/门,使CMOS 4000系列的使用受到一定的限制。
2.高速CMOS电路系列
高速CMOS电路主要有54系列和74系列两大类,它们的主要差别是工作温度的不同。

