【课程资料】
1、课程教材
2、任务书
3、微课视频
4、课件
【任务1】接线图与原理图的区别
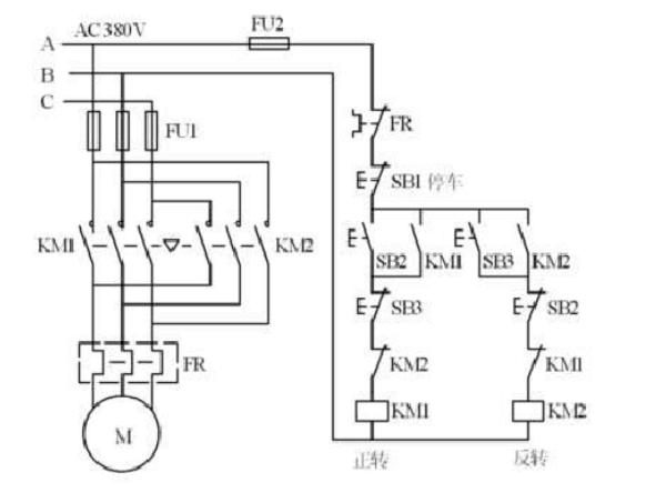
原理图就是电路的工作原理图,表达的意思是各元件是怎么工作的,侧重点就是电气原理,知道为什么这样接线。
接线图就是各元件与元件之间是怎么相连的表达图形,侧重点就是把复杂的线型线号分清楚,方便接线。
电气系统图中电气原理图应用最多,为便于阅读与分析控制线路,根据简单、清晰的原则,采用电气元件展开的形式绘制而成。它包括所有电气元件的导电部件和接线端点,但并不按电气元件的实际位置来画,也不反应电气元件的形状、大小和安装方式。
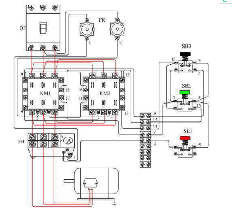
接线图就是根据各电器的布置,主触头,辅助触头,线圈接线柱,控制线接线柱都明确的在图上显示,原理图就只有各电器的电气符号在图上显示,现在我们看图都只看原理图,相对比较简单,容易看懂,接线图线路画的太繁琐,有种眼花潦乱的感觉。
原理图指的就是详细的电路图,
接线图就是给接线员接线用的,
根据原理图可以接线,但是在线多的情况下很容易出错,而且对工人的要求很高。接线图会详细标出线的线号和型号,不显示接线原理,方便施工,对工人要求低。
【学生做】判断下面两个图形类型


【任务2】创建文件
【学生做】
选择→【开始】→【程序】→【Autodesk】→【AutoCAD2009中文版】→【AutoCAD2009】
进入AutoCAD2009中文版绘图主界面。绘制A2图幅。

【任务3】创建元器件
【学生做】

(1)绘制双绕组变压器
点击圆按钮,输入半径13,点击直线,在圆心处绘制向下的直线长度为7,点击阵列按钮,选择环形阵列,点击中心点选中圆心,点击选择对象直线,点击确定,点击复制全选,选着圆顶点为基点进行复制。
(2)三绕组变压器
三绕组变压器是在双绕组变压器基础上先旋转负30度,利用镜像命令镜像圆,删除多余线条,再利用正多边形命令绘制三角形,利用直线对三角形进行裁剪。
(3)电流互感器
点击圆命令画一个半径为2.5的圆,向右画一条长度为3的直线,在直线右端点处绘制一条长度为1角度为70的线,复制这条直线,将新直线相左复制0.8 1.6 然后删除直线
(4)隔离开关
点击直线按钮,绘制向下长度会4的直线,绘制左右分别长度为1的直线,向下绘制长度为5的直线,向左绘制2,5三角形,绘制向下长度为4的直线,保留斜线其余删除,
(5)断路器
在隔离开关的基础上删除多余线条,同样利用绘制三角形保留斜线,利用环形阵列,阵列出X。
(6)阀型避雷器
点击矩形输入4,10回车,在上下边中点处分别绘制长度为5的线,在矩形下边中点向上绘制4的直线,利用多段线绘制宽度0.5长度为2的三角形
【任务4】绘制线路结构图
【学生做】
电路图通常用直线代表导线,先绘制直线,复制粘贴元器件,注意要选择基点,依次绘制出支线
利用复制、镜像等命令快速绘图,
【任务5】添加文字注释
【学生做】


