装配单元气动回路
上一节
下一节
三、装配单元的气动元件及气动回路
(一)气缸
1.双作用气缸
用于料仓的顶料、落料,机械手的伸缩、上下。
双作用气缸的外形及图形如图5-3所示,双作用气缸通过无杆腔和有杆腔交替进气和排气,控制活塞杆伸出和缩回,实现往复直线运动,如图5-4所示。

图5-3 双作用气缸

图5-4 双作用气缸工作原理
2.气动摆台
用于工作台旋转。
气动摆台的摆动回转角度能在0~180°范围内调整,可以安装磁性开关,检测旋转到位信号,多用于方向和位置需要变换的机构,如图5-5所示。

图5-5气动摆台
3.气动手指(气爪)
气动手指用于抓取、夹紧工件,其工作原理如图5-6所示。

图5-6气动手指
(二)单向节流阀
单向节流阀的外形如图5-7所示,单向节流阀是由单向阀和节流阀并联而成的流量控制阀,常用于控制气缸的运动速度。

图5-7 单向节流阀
(三)电磁换向阀
电磁换向阀的外形如图5-8所示,电磁换向阀是利用其电磁线圈通电时,产生电磁吸力使阀芯切换,达到改变气流方向的目的。
图中,红色按钮为手动控制按钮。接线端口,红色线接24V电源,蓝色线接PLC对应的Y端口。

图5-8 电磁换向阀
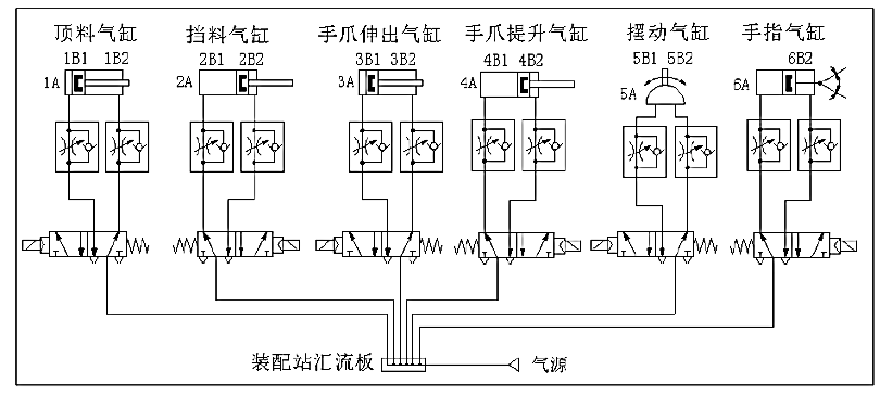
(四)装配单元的气动回路
装配单元气动控制回路的工作原理如图5-9所示。

图5-9 装配单元气动控制回路工作原理图

