1.1按机械制图国家标准抄画支架零件图(1.1 Copy support parts drawing according to the national standard of mechanical drawing)
-
1 中文
-
2 English
上一节
下一节
项目1.1 按机械制图国家标准抄画支架零件图
姓名: 班级 学号
【任务描述】
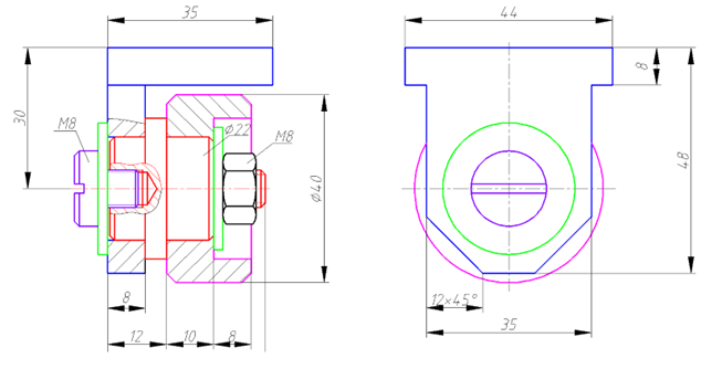
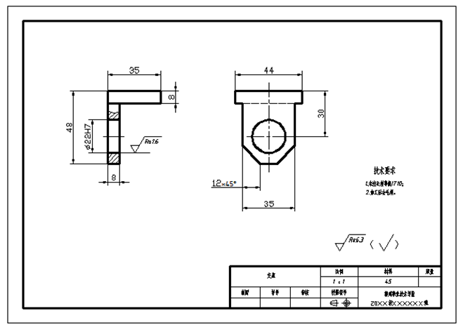
图1.1所示为滑轮装配草图,图1.2是其中用于支撑滑轮轴的支架的零件图,。要求:在老师带领下读懂支架零件图中各符号的含义,并用A4图幅,按照国家标准规定的线型画法及尺寸标注的规则,按1:1的比例抄画该零件图。


图1.1 滑轮装配草图

图1.2 支架零件图
任务提交方式:提交支架零件图(A4图纸)
任务完成时间: .

