2.2 根据滑轮组装配草图绘制滑轮轴零件图(Draw pulley shaft parts drawing according to pulley block assembly sketch)
-
1 中文
-
2 English
上一节
下一节
项目2.2 根据滑轮组装配草图绘制滑轮轴零件图
姓名: 班级 学号
【任务描述】
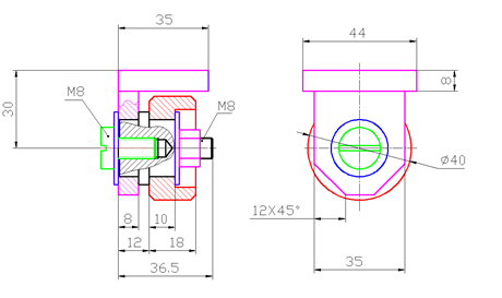
滑轮轴用于支撑滑轮,并用螺钉和垫片安装固定在支架上。为了固定滑轮,轴的右端做成螺杆,用于与螺母旋合,左端有安装螺钉的螺孔,螺孔为不通孔,加工时先钻孔再攻螺纹。


请根据装配草图,用A4图幅,画出能满足服役条件、符合加工要求的滑轮轴的零件图,锐边倒角C1。

