建筑信息模型技术(土建)

孙庆峰、夏怡、张广程、孙欣竹、傅晓宇

目录

  • 1 模块一 BIM建模基础知识
    • 1.1 教学计划
    • 1.2 任务一 BIM 简介
    • 1.3 任务二 Revit基础操作
    • 1.4 任务三 标高
    • 1.5 任务四 轴网
    • 1.6 任务五 墙(一)
    • 1.7 任务五 墙(二)
    • 1.8 任务六 柱
    • 1.9 任务七 门
    • 1.10 任务八 窗
    • 1.11 任务九 楼板
    • 1.12 任务十 屋顶
    • 1.13 任务十一 楼梯
    • 1.14 任务十二 扶手、坡道、洞口
    • 1.15 任务十三 创建房间
    • 1.16 任务十四 渲染
    • 1.17 任务十五 创建漫游
    • 1.18 任务十六 创建场地
  • 2 模块二 综合建模
    • 2.1 创建别墅模型(一)
    • 2.2 创建别墅模型(二)
    • 2.3 创建别墅模型(三)
    • 2.4 综合建模练习(课后强化)
  • 3 模块三 族
    • 3.1 族——族基础知识、拉伸与融合
    • 3.2 族——旋转、放样
    • 3.3 族——放样融合、空心形状
    • 3.4 族——创建构件综合应用
    • 3.5 族训练
  • 4 模块四 体量
    • 4.1 体量——概念体量设计基础知识
    • 4.2 体量——创建概念体量模型—拉伸、旋转
    • 4.3 体量——创建概念体量模型—放样、融合、放样融合
    • 4.4 体量——基于体量创建设计模型—楼板、幕墙、屋顶
    • 4.5 体量训练(课后强化)
  • 5 模块五 1+X证书真题演练
    • 5.1 “1+X”真题演练(一)
    • 5.2 “1+X”真题演练(二)
  • 6 模块六 图学会真题演练
    • 6.1 图学学会真题演练
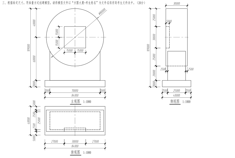
体量训练(课后强化)
  • 1 体量练习-1
  • 2 体量练习-2
  • 3 体量练习-3
  • 4 体量练习-4
  • 5 体量练习-5

体量练习-1

操作讲解


模型文件