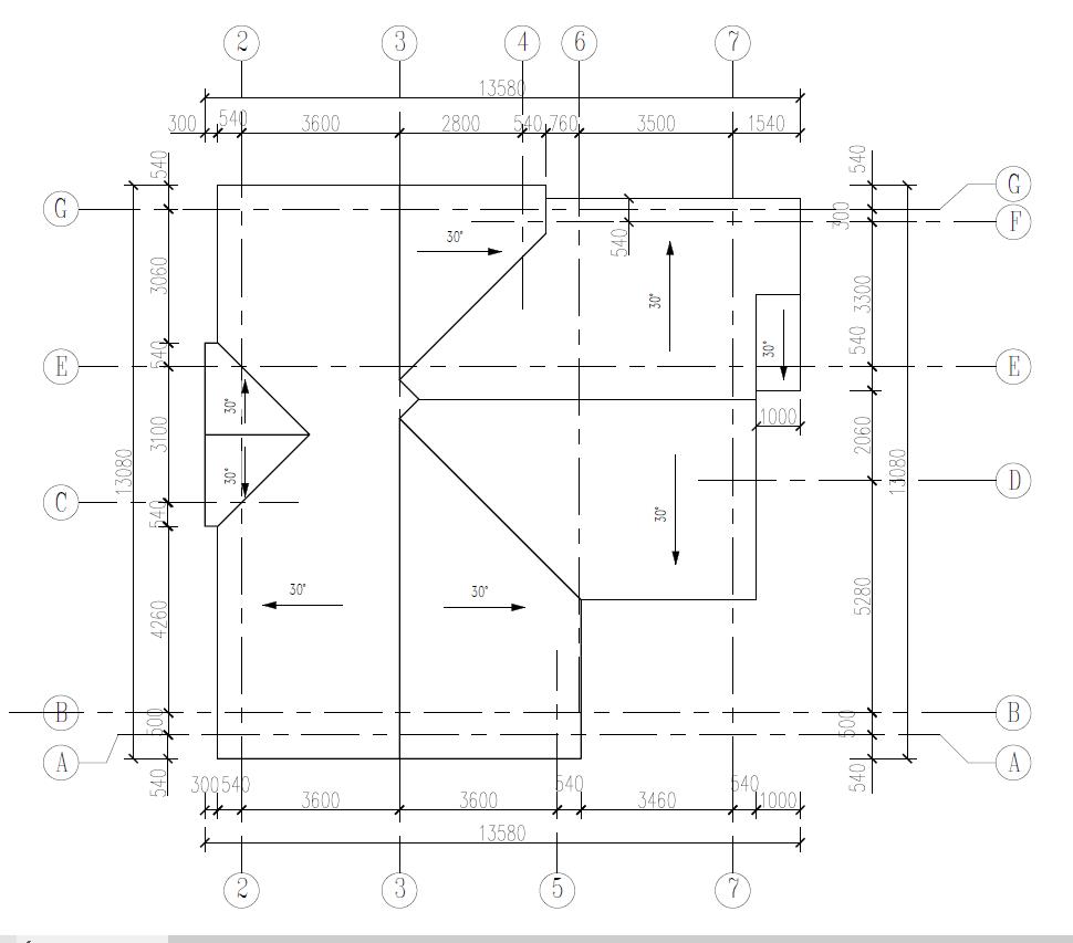
任务7 创建楼板和屋顶(2)
-
1 视频教程
-
2 作业
-
3 练习
-
4 案例
-
5 拓展资源
上一节
下一节
视频教程




