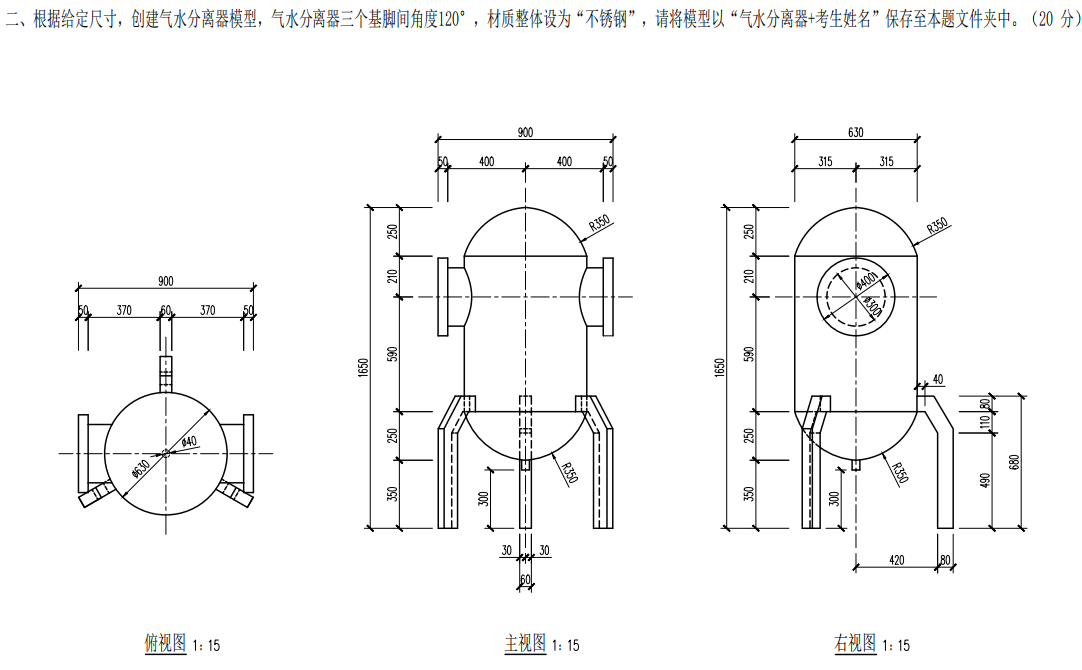
任务5 族训练(1)
-
1 视频教程
-
2 微课
-
3 作业
-
4 练习
-
5 案例
-
6 拓展资源
上一节
下一节







