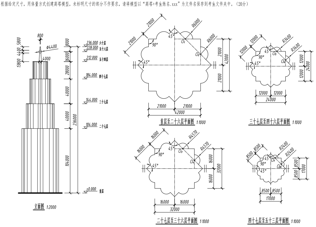
任务2:综合实务(二) ——图学会技能等级证书(2)
-
1 视频教程
-
2 作业
-
3 练习
-
4 拓展资源
-
5 案例
上一节
下一节



