Foundation Engineering

ZHANG Shuchao

目录

  • 1 Chapter 1 Introduction
  • 2 Chapter 2 Bearing capacity of foundation
    • 2.1 Introduction
    • 2.2 Types of foundation failures
    • 2.3 Ultimate bearing capacity of shallow foundations
    • 2.4 Allowable bearing capacity of shallow foundations
    • 2.5 Bearing capacity from field load tests
    • 2.6 Modify the bearing capacity from field load tests
    • 2.7 Bearing capacity of rock
  • 3 Chapter 3 Shallow foundation
    • 3.1 Introduction
    • 3.2 Limit states and action effect
    • 3.3 Determination of the foundation size
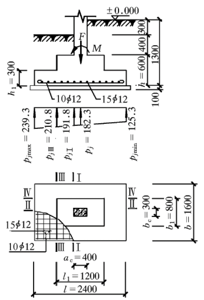
    • 3.4 Design of spread footing
    • 3.5 Combined footings
    • 3.6 Measurements to reduce the differential settlement
  • 4 Chapter 4 Pile foundation
    • 4.1 Introduction
    • 4.2 Types of piles
    • 4.3 Vertical bearing capacity of piles
    • 4.4 Settlements of pile foundation
    • 4.5 Nagtive friction piles
    • 4.6 Laterally loaded piles
    • 4.7 Layout principle of pile
    • 4.8 Design of pile caps
    • 4.9 General steps of pile foundation design
Design of spread footing