2.3发动机电控点火系统的单片机控制
2.3.1电控点火系统的概述
普通的电子点火系统虽然增加了闭合角控制、恒流控制等,大大提高了点火系统的性能,但是其点火时刻的调整是依靠机械离心式调节装置和真空式调节装置完成的,其主要缺点如下。
(1)由于机械的滞后、磨损等,响应速度慢。
(2)点火提前角的控制不精确,考虑影响点火提前角的因素不全面。
(3)为了避免大负荷时的爆燃,必然采用妥协方式减小点火提前角。
传统的点火系统由于装置本身的局限性,故不能保证点火时刻在最佳值。而电控点火系统取消了传统的离心式和真空式提前调节装置,使用了电子点火提前(ESA)控制系统,考虑了更多的点火提前角的影响因素,将点火提前到发动机刚好不致于产生爆燃的范围,使发动机在各种工况下均能达到最佳点火时刻,从而提高了发动机的动力性、经济性,改善了排放指标。ESA系统对点火提前角的控制效果如图2-5和图2-6所示。


图2-5 ESA调节与离心提前调节对比 图 2-6ESA调节与真空提前调节对比
在微机控制的点火系统中,控制内容包括点火提前角控制、闭合角控制和爆燃控制。无
分电器的电控点火是目前最先进的控制方式。
2.3.2 电控点火系统的组成
电控点火系统主要由传感器、ECU和点火执行器3大部分组成,如图2-7所示。大部分传感器与EFI系统是共用的,并且一般与EFI系统共用同一个ECU,点火执行器是电子点火器和点火线圈各部分的功能如下。
传感器主要有空气流量、曲轴和凸轮轴位置传感器、节气门位置传感器、冷却液温度传感器及爆燃传感器等,其作用在于向ECU提供发动机的各种运行参数,以便ECU确定最佳的点火时刻。
ECU接受各种传感器送来的信号经过数据处理后,计算出最佳点火提前角,并向电子点火器输出点火控制信号IGt。
电子点火器(也称电子点火模块)内部有闭合角控制、恒流控制、点火确认等电路,其主要功能是接受ECU输出的点火控制信号,控制点火线圈初级电路的通断,产生次级高压,使火花塞点火;同时,把点火确认信号IGf反馈给ECU,其各部分电路的作用如下。
图2-7 电控点火系统的组成简图
(1)IGf信号发生电路。当点火线圈初级电流切断时,产生反电动势触发IGf信号发生
电路,使其输出一个点火确认信号给ECU。IGf信号又称为点火安全信号。
如果点火系统出现故障使火花塞不点火,而出曲轴、凸轮轴位置传感器工作正常时,喷油器会继续喷油。为了避免这种现象的发生,当IGf信号连续3~6次没有反馈给ECU时,ECU就判断此时发动机已熄火,并向EFI系统的喷油控制电路发出中断供油的指令,以防止浪费燃油和“淹缸”。
(2)过电压保护电路。当电源电压过高时,该电路使点火器中的功率晶体管截止,以保
护点火线圈与功率管。
(3)闭合角控制电路。闭合角是指点火线圈初级电路通电期间曲轴转过的角度。闭合角控制电路可控制点火器中功率管的导通时间,即控制点火线圈初级电路的通电时间,以保证点火高压。
(4)锁止保护电路。它也称为发动机停转断电保护电路。如果发动机熄火而点火开关仍接通,一般在点火线圈和功率管的导通时间超过预定值时,该电路控制功率管截止,切断初级电路的电流,以保护点火线圈和功率管不被发热烧坏。
(5)恒流控制电路。它保证在任何转速下,在极短的时间内,使点线圈初级电流都能达到规定值(一般为6~7A),以减小转速对次级电压的影响,改善点火性能。同时,它还可以防止因初级电流过大而烧坏点火线圈,这是因为ESA系统采用了高能点火线圈,其初级电路取消了附加电阻,且初级线圈电阻很小,初级电路从通电开始到断路时其电流可达到很大值。
(6)加速状态检测电路。当发动机转速急剧上升时,该电路对这种加速状况进行检测,并将检测到的信号输送给闭合角控制电路,使其中的功率管提前导通,以增大闭合角。
2.3.3电控点火系统的分类
电控点火系统按配电方式可分为有分电器式和无分电器式两种类型。
1.有分电器式点火控制系统
有分电器式点火控制系统的电路如图2-7所示。这种方式保留了传统的分电器对各缸
火花塞进行的机械配电,由分火头将点火高压分配给分电器盖上的侧电极,然后通过高压线
送至各缸火花塞。这种配电方式存在许多不足之处,如产生点火能量损失、无线电干扰以及
容易导致汽缸缺火、断火等。
ECU 根据各传感器和开关信号确定点火时刻,并将点火正时信号IGt送至电子点火器,当IGt信号变为低电平时,功率管截止,点火线圈初级电路断开,在次级线圈中感应出高
压电,再由分电器送至相应缸的火花塞点火。
为了产生稳定的次级电压和保证系统自可靠工作,在点火器中设有闭合角控制回路和
点火确认信号(IGf)安全保护电路。
2.无分电器点火控制系统
这种方式取消了传统的有分电器式的机械配电装置,而采用电子配电方式,即由各缸点火线圈(每缸一个或两缸共用一个点火线圈)直接向各缸火花塞输出点火高压。无分电器式电子点火系统的英文简称为DIS或DLI,这种结构为目前最先进的电子点火系统,其常见的电子配电方式如图2-8。

图2-8 无分电厢式点火控制系统的电子配电方式
无分电器式点火控制系统有同时点火方式和単独点火方式两种类。
(1)同时点火方式
这种方式是两个缸的火花塞共用一个点火线圈,点火线圈有两个输出端,其中一个缸在排气末期,另一个缸在压缩末期同时串联点火。在排气末期点火的为无效点火,无效点火的汽缸压力小、因此击穿火花塞间隙需要的电压小,消耗的电能少;在压缩末期点火的为有效点火,大部分电能消耗在有效点火上、点火过程如图2-9所示。同时,点火方式可分为二极管分配式和点火线圈分配式两种。

图2-9 双缸同时点火放电电路
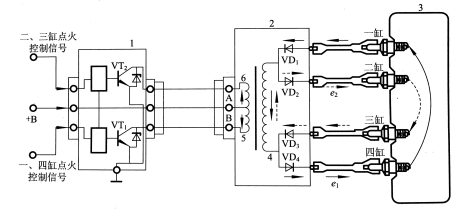
1)二极管分配式。
二极管分配式无分电器同时点火方式的工作原理如图2-9所示。
点火顺序为1-3-4-2的四缸发动机,一、四缸分成一组点火,二、三缸分成另一组点火。当ECU接收到曲轴和凸轮轴位置传感器相应信号时,计算出最佳点火时刻,向电子点火器发出点火信号,电子点火器的控制回路使三极管VT1截止,初级电路B中的电流被切断,在次级线圈中感应出下 “+”上“-”的电动势e1,方向如图2-9中的实线箭头所示,二极管VD1、VD4正向导通,电流经四缸和一缸火花塞构成回路,两个火花塞均跳火。而二极管VD2、VD3反向截止,二、三缸火花塞不跳火。此时若一缸接近压缩上止点,混合气被点燃,则四缸正在排气,无效点火。曲轴转过180°,ECU接收到传感器信号后再次向电子点火器发出触发信号,使VT2截止,初级电路A中电流被切断,次级线圈感应出上“+”下“-”的电动势e2,方向如图2-10中的虚线箭头所示,二极管VD2、VD3导通,VD1、VD4截止,二缸和三缸火花塞构成回路,同时跳火,此时三缸点火做功,二缸为无效点火。依次类推,发动机曲轴转两圈,各缸做功一次。
图2-10 二极管分配式工作原理图
l-电子点火器;2-点火线圈;3-汽缸盖;4-次级电路;5-初级电路A;6-初级电路B
4个高压二极管有安装在点火线圈内鄱的和外部的两种结构型式,这里为内装的结构。
而电子点火器中的两个稳压管,用于吸收初级线圈断路时产生的自感电动势,保护功率三极
管。
2)点火线圈分配式。
点火线圈分配式无分电器同时点火方式的特点是用一个点火线圈给两个火花塞提供电压,点火线圈的数量等于汽缸数的一半。
ECU 根据曲轴和凸轮轴位置传感器信号,选择相应点火的汽缸,并将点火信号送给电
子点火器,使相应的晶体管截止或导通,点火线圈直接向火花塞输出高压电。点火过程与二
极管分配式相同。如图2-11所示为六缸发动机的点火电路原理图。各缸的做功顺序
为1-5-3-6-2-4,汽缸点火的组合为第一缸与第六缸、第五缸与第二缸、第三缸与第匹
缸,即每两缸一个点火线圈。

图2-11 点火线圈分配式原理图
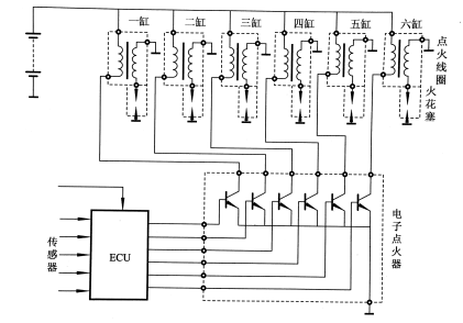
(2)单独点火方式
单独点火方式也称为独立点火方式,它是指每缸一个点火线圈,点火线圈的数量与汽缸数相等,无需分电器就能将高压电适时地分配给各个火花塞。该点火方式的优点是由于每缸都有各自独立的点火线圈,故即使发动机转速很高,点火线圈也有较长的通电时间(大的闭合角),可提供足够高的点火能量在发动机转速相同时,与其他配电方式相比,单位时间内通过点火线圈初级电路的电流要小得多,点火线圈不易发热,且点火线圈的体积可以非常小,点火线圈可直接装在火花塞上面,可不需要高压线,避免了对计算机信号的电磁干扰,消除了干扰源;发动机ECU可一缸接一缸地改变点火正时,对爆燃传感器发出的信号能及时做出响应,其电路原理如图2-12所示。
图2-12单独点火方式
无分电器单独点火方式有一种是发动机各缸的点火线圈共用一个点火器,如丰田1MZ-FE发动机独立点火系统,6个点火线圈共用一个点火器;另一种是发动机各缸的点火线圈分组共用若干个点火器,如奥迪四气门五缸发动机,5个点火线圈分别接到两个点火器上,其中一个点火器控制3个缸的点火,另一个点火器则控市0两个缸的点火。
2.3.4点火提前角和闭合角的控制
1.点火提前角的控制
最佳点火提前角除了主要根据发动机的转速、负荷和燃料性质确定之外,还应考虑发动
机空燃比、大气压力、冷却水温等因素。在传统点火系统中,当上述因素变化时,系统无法对点火提前角进行调整,但当采用ESA系统时,发动机在各种工况运行条件下,ECU都可保
证理想的点火提前角,因此,发动机的动力性、经济性和排放性都可以达到最佳。
实际点火提前角的控制,不同的厂家采取的控制方法各不相同,如日本丰田车系电控点火系统(TCCS)中,实际的点火提前角等于初始点火提前角、基本点火提前角和修正点火提前角之和,即
实际点火提前角 = 初始点火提前角 + 基本点火提前角 + 修正点火提前角
而日产车系电控点火系统(ECCS)中,实际点火提前角等于基本点火提前角与点火提前
角修正系数之积,即
实际点火提前角 = 基本点火提前角×点火提前角修正系数
下面以丰田车型上的发动机所采用的ESA系统为例,介绍点火提前角的控制,
(1)点火提前角的确定
1)初始点火提前角
初始点火提前角是ECU根据发动机上止点位置确定的固定点火时刻,其大小随发动机而异,但对同一型号的发动机来说,初始点火提前角为一固定值。它是在发动机生产出来之后便固定了的点火提前角,在任何工况下该角度都保持恒定不变。
丰田公司的发动机是将凸轮轴位置传感器感应出的G(G1或G2)信号后的第一个Ne转速信号过零点的位置,设定为汽缸压缩行程上止点前10℃A(用BTDC10℃A表示,CA表示曲轴角度),如图2-13所示。这一角度可由传感器的结构与安装的相对位置来保证。ECU在计算、控制点火提前角时,就把这一点作为参考点(或称为基准点),这个角度称为初始点火提前角。如桑塔纳2000GLi型轿车的初始点火提前角BTDC8°。
图2-13初始点火提前角
一般在下列情况时实际点火提前角等于初始提前角。
①在发动机起动期间,转速变化大,进气量不稳定,点火提前角不能准确控制,采用固定的初始点火提前角。
②发动机转速低于400r/min时。
③检查初始点火提前角时,有3个条W一是诊断插座测试端子短路二是怠速触点IDL闭合;三是车速低于2km/h.
2)基本点火提前角
基本点火提前角是发动机最主要的点火提前角,它是在设计微机控制点火系统时确定的。国内外普遍采用台架试验的方法,利用发动机最佳运行状态下的实验数据来确定基本点火提前角。试验所得的以转速和负荷(进气管真空度)为变量的三维点火特性脉谱图以数据形式存储在ECU的只读存储器ROM中。汽车运行时,ECU根据发动机转速信号和负荷信号(由空气流量计和节气门位置传感器确定),在存储器中查到这一工况下运转时相应的基本点火提前角来控制点火,
3)修正点火提前角
为了使实际点火提前角适应发动机的运转状态,以便得到良好的动力性、经济性和排放
性能,必须根据相关因素(如冷却液温度、进气温度、爆燃信号、开关信号等)适当地增大或减小点火提前角,即对点火提前角进行必要的修正。
ECU根据初始点火提前角、基本点火提前角和修正点火提前角计算出实际点火提前角
而进行控制点火,把点火时间控制在最佳状态。点火提前角的控制包括两种基本情况起动
时点火提前角的控制和起动后点火提前角的控制。
(2)起动时点火提前角的控制
在发动机起动过程中,发动机转速变化大,并且由于转速较低(一般低于500r/min),进气歧管绝对压力传感器或空气流址计的信号不稳定,ECU无法正确计算点火提前角,一般
将点火时刻固定在设定的初始点火提前角。此时的控制信号主要是发动机转速信号(Ne)和
起动开关信号(STA)。
(3)起动后点火提前角的控制
1)基本点火提前角
在非怠速工况时,节气门位置传感器的怠速触电(IDL)断开,ECU根据发动机的转速和负荷信号,按存储器的数据确定基本点火提前角。
非怠速工况时,控制信号主要有:进气歧管压力信号(或进气量信号)、发动机转速信号、节气门位置信号、汽油品种选择开关、爆燃信号等。
在怠速工况下运行时,节气门位置传感器怠速触点闭合,此时,ECU根据发动机转速和
空调开关是否接通等确定基本点火提前角,如图2-14所示。
2)点火提前角的修正
点火提前角的修正项目随车型的不同而有多有少,在丰田汽车TCCS系统的控制中主
要有暖机修正和怠速修正。
①暖机修正。暖机修正是指节气门位置传感器的怠速触点IDL闭合,发动机冷却液温度较低时对点火提前角进行的修正。当冷却液温度较低肘,应适当增大点火提前角,以促使发动机尽快暖机。随着冷却液温度的升高,点火提前角应相应地减小,如图2-15所示。修正曲线的形状与提前角的大小随车型的不同而有所差异。

图2-14急道工况基本点火提前角 图2-15暖机修正曲线
②怠速修正。怠速修正是为了保证怠速运转稳定而对点火提前角进行的修正,其修正特性如图2-16所示,当急速触点IDIL闭合,而空调或动力转向开关接通时,发动机负荷增大使发动机转速下降,ECU根据实际转速与目标转速的差值,相应地减小提前角,使发动机在规定的急速转速下稳定运转,以防熄火。

图2-16 急道稳定修正
发动机实际点火提前角为初始点火提前角、基本点火提前角和修正点火提前角之和,发动机每转一周,ECU就计算处理后输出一个点火正时信号,控制电子点火器,再通过点火器控制点火线圈使火花塞点火。当ECU确定的实际点火提前角超过允许的最大或最小点火提前角时,发动机难以正常运转,此时,ECU将以最大或最小点火提前角的允许值进行控制。
除暖机修正和怠速修正外,有些车型的点火提前角修正还包括空燃比修正和爆燃修正
(在爆燃控制中介绍)等。装有氧传感器的车型,ECU根据氧传感器的反馈信号对空燃比进行修正。随着喷油量修正的増加或减少,发动机转速在一定范围内波动,为了提高转速的稳定性,在反馈修正的喷油量减少时,点火提前角相应增大,如图2-17所示。

图2-17空燃比反馈修正
2.闭合角的控制
闭合角是指点火线圈初级电路通电期间曲轴转过的角度。对于电感储能式电控点火统,当点火线圈的初级电路被接通后,初级电流是按指数规律増长的。初级电路被断开的瞬间,初级电流所能达到的值(即断开电流)与初级电路接通的时间长短有关,只有通电时间达到一定值时,初级电流才可能达到饱和。由于断开电流影响次级电压的高低,而次级电压高低又直接影响点火系统工作的可靠性,所以在发动机工作时,必须保证点火线圈的初级电路有足够的通电时间。但如果通电时间过长,点火线圈又会发热并增大电能消耗。要兼上述两方面的要求,就必须对点火线圈初级电路的通电时间进行控制。
此外,当蓄电池的电压变化时,也将影响初级电流。若蓄电池电压下降,在相同的通电时间里初级电流所达到的值将会减小。因此,还必须根据蓄电池电压对通电时间进行修正。蓄电池电压修正曲线如图2-18所示。
图2-18 通电时间与电源电压的关系
在传统的汽油机点火系统中,点火线圈初电路的接通时间取决于断电器触点的闭合角和发动机的转速。对一定的发动机而言,断电器触点的闭合角是一定的,点火线圈初级电路的通电时间随发动机转速的提高而缩短,这必将导致发动机高速时点火能量降低,点火系统工作可靠性下降。因此,在现代汽车的电控点火控制中,要随着发动机转速的变化对闭合角进行控制,当转速升高时,闭合角应增大,如图2-19所示。
ECU根据发动机转速信号(Ne信号)和电源电压信号确定最佳的闭合角,其控制模型如图2-20所示。闭合角控制模型存储在Ecu内,发动机工作时,ECU根据Ne和电源电压情号计算确定最佳的闭合角,并向点火器输出指令信号(IGt信号),以控制点火器中晶体管的导通时间。随发动机转速提高和电源电压下降,闭合角增长。

图2-19闭合角与转速的关系 图2-20闭合角控制模型
ECU对闭合角的控制通常是根据电源电压查得导通时间,再根据发动机转速换算成曲
轴的转角,以确定闭合角的大小。
2.3.4爆燃传感器与爆燃反馈控制
发动机工作时,混合气在汽缸中正常的燃烧是分层燃烧。在火焰传播过程中,处在最后
燃烧位置上的那部分未燃混合气,进一步受到压缩和热辐射的作用,加速了先期反应,如果
在火焰前锋尚未到达之前,未燃混合气已经自燃,这部分混合气燃烧速度极快,使燃烧室内
的局部压力、温度很高,并伴随有冲击波,这种不正常燃烧现象称爆燃。
爆燃产生的压力冲击波反复撞击汽缸壁,发出尖锐的敲缸声,严重时会破坏附着在汽知
壁表面的油膜,使传热增加,冷却液过热,发动机功率下降,耗油率增加,至会造成活塞、气缸门烧坏,轴瓦破裂,火花塞绝缘体破坏,润滑油氧化成胶质,活塞环忙死在环槽内等故障。因此,汽油机工作时,应对爆燃加以控制。
要消除爆燃,通常可以采用抗爆性能好的燃料、改进燃烧室结构、加强冷却水循环、推迟
点火时间等方面的措施。尤其是推迟点火时间对消除爆燃有明显的作用。
爆燃传感器是电控点火控制系统检测爆燃的反馈元件,一旦爆燃传感器检测的信号表
示爆燃程度超过规定的限度,ECU立即发出指令推迟点火当爆燃程度低于规定的限度时,ECU又会将点火时刻提前,循环调节点火时刻,使发动机始终处于临界爆燃的工作状态,从而使发动机的动力性、燃油经济性得到一定程度的改善。
1.爆燃传感器的结构和工作原理
检测爆燃信号的方法一般有3种:第一种是利用装于每个汽缸内的压力传感器检测爆燃引起的压力波动;第二种是把传感器装在发动机缸体上,检测爆燃引起的振动;第三种是对燃烧噪声进行频谱分析。一般采用第二种方法进行检测,把爆燃传感器装在气缸体上。常见的爆燃传感器有磁致伸缩式和压电式两种。
(1)磁致伸缩式爆燃传感器
磁致伸缩式爆燃传感器的外形与结构如图2-21所示,它由外壳、永久磁铁、铁心以及铁心周围的线圈等组成,其工作原理是当发动机的汽缸体振动时,磁性材料的铁心受振移动
致使穿过线圈的磁通变化,从而在线圈中产生感应电动势,作为传感器的输出信号,并将这
一电信号输人ECU.当振动频率达到一定程度时,传感器与发动机产生共振,此时传感器
输出最大电压信号,如图2-22所示,ECU判定为爆燃。


图2-21磁致伸缩式爆燃传感器的外形与结构 图 2-22 磁致伸缩式爆燃传感器输出特性
1-线网,2-铁心,3-外壳,4-永久磁铁
(2)压电式爆燃传感器
压电式爆燃传感器利用压电效应坐检测爆燃,直非共振型、共振型和火花塞座垫型
3种。
1)非共振型
非共振型爆燃传感器的结构如图2-23所示。这种传感器利用结晶或陶瓷多晶体的压电效应而工作,也有利用掺杂硅的压电电阻效应的。该传感器由外壳、压电元件、配重块及导线等组成,其工作原理是当发动机的汽缸体出现振动且振动传递到传感器外壳上时,外壳与配重块之间产生相对运动,夹在外壳和配重块之间的压电元件所受的压力发生变化,从而产生电压,当发生爆燃时输出电压最高。ECU检测出该电压,并根据其值的大小判断爆燃强度。

图2-23压电式非共振型爆燃传感器的结构
1-导线;2-配重块;3-压电元件
2)共振型
共振型爆燃传感器主要由压电元件、振子、基座、外壳等组成,如图2-24所示。压电元件紧贴在振子上,振子固定在基座上。压电元件检测振子的振动压力,并转换成电信号输入ECU,当发动机爆燃的频率和振子频率一致时,传感器输出最高电压。输出信号与磁致伸缩式爆燃传感器相似。
由于共振型爆燃传感器振子的固有频率与发动机爆燃时的振动频率一致,所以必须与
发动机配套使用,通用性差。但当爆燃发生时,振子与发动机共振,压电元件输出的信号电
压会明显增大,易于测量。

图2-24压电式共振型爆燃传感器
l-压电元件;2-振子;3-基座;4-O型密封圈;
5-插接器;6一接头;7-密封剂;8-壳体;9一导线
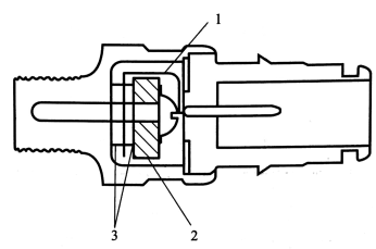
3)火花塞座垫型
火花塞座垫型传感器安装在火花塞垫圈部位,根据燃烧压力直接检测爆燃,并将爆燃时
的压力转换成电压信号输入ECU。一般每个火花塞部位安装一个。
3.爆燃传感器检测
丰田皇冠3.0轿车2JZ一GE型发动机爆燃传感器与ECU的连接电路如图2-25所示。

图2-25爆燃传感器与ECU的连接电路
1-1号爆燃传感器;2一发动机ECU;3-2号爆燃传感器
(1)爆燃传感器电阻的检测
点火开关置于0FF位置,拔下爆燃传感器的导线接头,用万用表欧姆挡检测爆燃传感器的接线端子与外壳间的电阻,压电式爆燃传感器应为∞(不导通);若为0Ω(导通),则须更换爆燃传感器。
对于磁致伸缩式爆燃传感器,还可应用万用表欧姆挡检测线圈的电阻,其阻值应符合规
定值(具体数据见具体车型维修手册),否则应更换爆燃传感器。
(2)爆燃传感器输出信号的检查
拔下爆燃传感器的连接插头,在发动机怠速时用示波器检查爆燃传感器的接线端子与
搭铁间的电压,应有脉冲电压输出如果没有,应更换爆燃传感器。
4.爆燃反馈控制
点火提前角是影响爆燃的主要因素之一,减小点火提前角是消除爆燃的最有效措施。如图2-26所示,在无爆燃控制的传统点火系统中,为了防止爆燃的产生,其点火时刻的设定
必须远离爆燃边缘,否则必然会导致发动机的动力性、经济性不能发挥到最佳。在电控点火
系统中,ECU根据爆燃传感器信号,判定有无发生爆燃及爆燃的强度,并根据其判定结果对
点火提前角进行反馈控制,使发动机处置爆燃的边缘工作,既能防止爆燃发生,又能有效地
提高发动机的动力性和经济性。
爆燃反馈控制的结构简图如图2-27所示,其工作过程是发动机工作时,爆燃传感器的
信号输入ECU,由ECU判断爆燃是否发生,然后根据传感器(主要是曲轴和凸轮轴位置传感器)的信号,进行计算、处理后,输出指令控制点火器中功率管的截止时刻,从而控制点火线圈初级电路的断开时刻,完成对火花塞点火时刻的控制。

图2-26爆燃反馈控制的点火提前角图 2-27爆燃反馈控制的结构简图
l-爆燃范围;2-爆燃控制余量; l-火花塞;2-分电器;3-点火器和点火线圈;
3-无爆燃控制时点火时刻;4-有爆燃控 4-传感器5-ECU;6-爆燃传感器
制时点火时刻;MBT-最大扭矩时的点火
时刻
(1)爆燃强度的判别
安装在发动机缸体上的爆燃传感器,随发动机工作时各种不同振动频率而振动,并产生不同的电压信号,当发动机发生爆燃时,爆燃传感器产生最大的电压信号,如图2-28所示

图2-28爆燃信号的产生
爆燃信号的判断原理如图2-29所示,来自爆燃传感器的信号含有各种频率的非爆燃电
压信号,首先必须经滤波电路,将爆燃信号与其他振动信号分离,只允许特定范围频率的爆
燃信号通过滤波电路,再将此信号的最大值与爆燃强度基准值进行比较,基准值是利用发动
机即将爆燃时传感器输出的信号电压而确定的,如果大于基准值,则由比较器将爆燃信号电
压输人微机,表示发生爆燃,由微机进行处理。
发动机的振动频繁且剧烈,为了只检测爆燃信号,防止发生错误的判断,因此判断爆燃
信号并非随时都可进行,它有一个判断范围,如图2-30所示,只限于辨别发动机点火后燃烧期间的振动,在这个范围内,爆燃传感器的信号才被输入比较器。爆燃强度以超过基准值的计数次数,其计数越多,则爆燃强度越大;次数越小,则爆燃强度越小。
图 2-29 爆燃信号的判断原理
图 2-30 爆燃判别与点火控制
5.爆燃的控制
如图2-29所示,当发动机产生爆燃时,微机通过爆燃传感器的输人信号和比较电路判别出发动机爆燃的产生,由微机控制减小点火提前角。爆燃强度越大,点火提前角减小的值
越大爆燃强度越小,点火提前角减小的值越小。每次以固定的角度使点火提前角减小,若仍有爆燃存在,再以固定的角度减小点火提前角,直到爆燃消失为止。爆燃消失后的一段时间内,系统使发动机维持在当前的点火提前角下工作,此时间内若无爆燃发生,则以一个固定的角度逐渐增大点火提前角,直到爆燃再次发生,然后又重复上述过程。爆燃控制过程朝是对点火提前角进行反复调整的过程,最终把点火时刻控m在如图4.25所示的接近发动矧最大扭矩时的点火时刻。
当爆燃反馈控制系统发生故障时,启用控制系统的安全电路,将点火时刻推迟,以保努
发动机,同时通过仪表警告灯发出警告。

