互感式传感器
上一节
下一节
互感式传感器
1、差动变压器式传感器的工作原理
差动变压器式传感器是把被测位移量转换为一次线圈与二次线圈间的互感量M的变化的装置。当一次线圈接入激励电源之后,二次线圈就将产生感应电动势,当两者间的互感量变化时,感应电动势也相应变化。由于两个二次线圈采用差动接法,故称为差动变压器。目前应用最广泛的结构型式是螺线管式差动变压器。

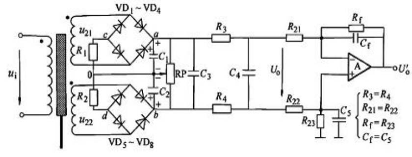
2、测量电路


电路是以两个桥路整流后的直流电压之差作为输出的,所以称为差动整流电路。它不但可以反映位移的大小(电压的幅值),还可以反映位移的方向。

