光电效应
1、基础物理光知识
1905年德国物理学家爱因斯坦用光量子学说解释了光电发射效应,并为此而获得1921年诺贝尔物理学奖。
电子逸出金属表面的速度v可由能量守恒定律确定:

由于逸出功与材料的性质有关,当材料选定后,要使金属表面有电子逸出,入射光的频率f应有一最低的限度值。当hf小于W时,即使光通量很大,照射时间很长,也不可能有电子逸出,这个最低限度的频率称为红限。
根据爱因斯坦的理论,当光子照射到物体上时,它的能量可以被物体中的某个电子吸收。电子吸收光子的能量hf(有时也用hν表示)后,能量增加。如果电子吸收的能量hf足够大,能够克服脱离原子所需要的能量(即电离能量)I和脱离物体表面时的逸出功W,电子就能够离开金属表面,而脱逸出来,称为“光电子”。光电子的逸出方向基本与金属板垂直。
(1)光的频率、波长、光速之间的关系

(2)电磁波频谱

2、光电效应及光电器件
用光照射某一物体,可以看作物体受到一连串能量为E=hf 的光子的轰击,组成这物体的材料吸收光子能量而发生相应电效应的物理现象称为光电效应。
通常将光电效应分为三类:外光电效应、内光电效应、光生伏效应:光电池。
(1)外光电效应
在光线的作用下能使电子逸出物体表面的现象称为外光电效应。

光电管结构
在一个真空泡内装有两个电极:光电阴极和光电阳极。光电阴极通常是用逸出功小的光敏材料涂敷在玻璃泡内壁上做成,其感光面对准光的照射孔。当光线照射到光敏材料上,便有电子逸出,这些电子被具有正电位的阳极所吸引,在光电管内形成空间电子流,在外电路就产生电流。在入射光的频谱成分和光电管电压不变的条件下,输出电压Uo与入射光通量Φ成正比 。
(2)外光电效应
受光照物体电阻率发生改变,或产生光生电动势的效应称为内光电效应。

①光敏电阻
光敏电阻又称光导管, 它几乎都是用半导体材料制成的光电器件。 光敏电阻没有极性, 纯粹是一个电阻器件, 使用时既可加直流电压, 也可以加交流电压。无光照时, 光敏电阻值(暗电阻)很大, 电路中电流(暗电流)很小。
当光敏电阻受到一定波长范围的光照时, 它的阻值(亮电阻)急剧减少, 电路中电流迅速增大。 一般希望暗电阻越大越好, 亮电阻越小越好,此时光敏电阻的灵敏度高。 实际光敏电阻的暗电阻值一般在兆欧级, 亮电阻在几千欧以下。
②光敏二极管
光敏二极管的PN 结设置在透明管壳顶部的正下方,光照射到光敏二极管的PN结时,电子-空穴对数量增加,光电流与照度成正比。

在没有光照时,由于二极管反向偏置,所以反向电流很小,这时的电流称为暗电流,相当于普通二极管的反向饱和漏电流。当光照射在二极管的PN结(又称耗尽层)上时,在PN结附近产生的电子-空穴对数量也随之增加,光电流也相应增大,光电流与照度成正比。

③光敏三极管
大多数光敏三极管的基极无引出线,当集电极加上相对于发射极为正的电压而不接基极时,集电结就是反向偏压, 当光照射在集电结时,就会在结附近产生电子-空穴对,光生电子被拉到集电极,基区留下空穴,使基极与发射极间的电压升高,这样便会有大量的电子流向集电极,形成输出电流。

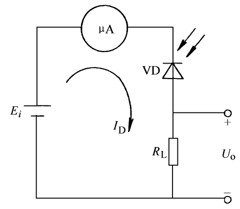
④光敏晶闸管
光敏晶闸管有三个引出电极,即阳极a、阴极k和门极g 。它的顶部有一个玻璃透镜,光敏晶闸管的阳极与负载串联后接电源正极,阴极接电源负极,门极可悬空。当有一定照度的光信号通过玻璃窗口照射到正向阻断的PN结上时,将产生门极电流,从而使光敏晶闸管从阻断状态变为导通状态。导通后,即使光照消失,光敏晶闸管仍维持导通。要切断已触发导通的光敏晶闸管,必须使阳极与阴极的电压反向,或使负载电流小于其维持电流。
(3)基于光生伏特效应
在P型衬底上制造一薄层N型层作为光照敏感面,就构成最简单的光电池。当入射光子的能量足够大时,PN结每吸收一个光子就产生一对光生电子—空穴对, 光生 电子在PN结内电场的作用下通过漂移运动到N型区,空穴留在P区,所以N区带负电,P区带正电。如果光照是连续的,经短暂的时间,PN结两侧就有一个稳定的光生电动势输出。



