半导体热敏电阻
热敏电阻有负温度系数(NTC)和正温度系数(PTC)之分。

PTC热敏电阻用途主要是彩电消磁、各种电器设备的过热保护等。
1、负温度系数热敏电阻(NTC)
负温度系数热敏电阻具有很高的负电阻温度系数,是应用最广泛的半导体热敏电阻之一。由于半导体中载流子的数目远比金属中的自由电子少得多,所以它的电阻率很大。随着温度的升高,半导体中参加导电的载流子数目就会增多,故半导体导电率就增加,它的电阻率也就降低了。
NTC热敏电阻使用中分为低温区(-60~300℃)、中温区(30~1600℃)、高温区(大于600℃)三种,具有灵敏度高、响应速度快、寿命长、价格低等优点。
2、临界温度系数热敏电阻(CTR)
临界温度系数热敏电阻也具有负温度系数,但在某个温度范围内电阻值急剧下降,曲线斜率在此区段特别陡,灵敏度极高。由于具有开关特性和一个温度突变点,主要用作温度开关或各种电子电路中抑制浪涌电流,起保护作用。

3、运用
(1)电动机保护器

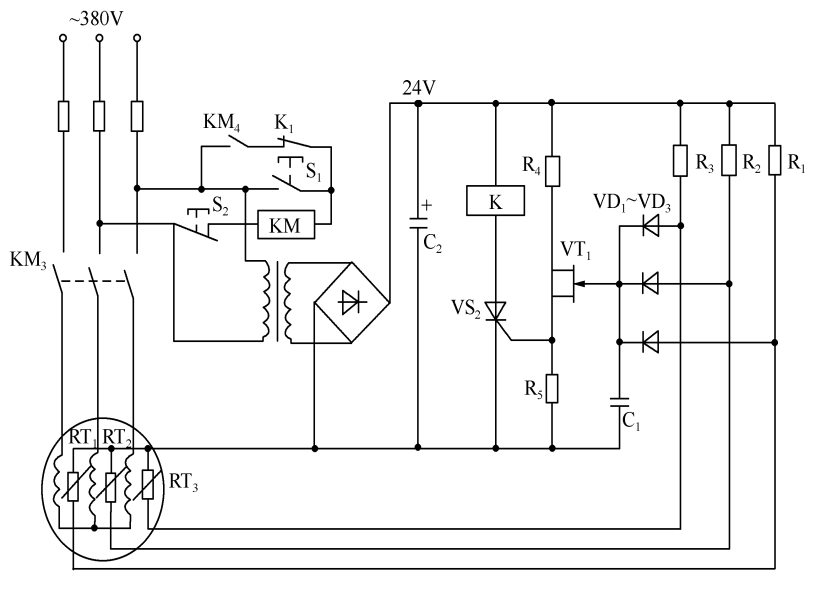
电动机往往由于超负荷、缺相及机械传动部分发生故障等原因造成绕组发热,当温度升高到超过电机允许的最高温度时,将会使电机烧坏。利用PTC热敏电阻具有正温度系数这一特性可实现电机的过热保护。如图7-8所示为电动机保护器电路。图中RT1、RT2、RT3为3只特性相同的PTC开关型热敏电阻,为了保护的可靠性,热敏电阻应埋设在电机绕组的端部。3只热敏电阻分别与R1、R2、R3组成分压器,并通过VD1、VD2、VD3与单结半导体VT1相连接。当某一绕组过热时,绕组端部的热敏电阻的阻值将会急剧增大,使分压点的电压达到单结半导体的峰值电压时VT1导通,产生的脉冲电压触发晶闸管VS2使之导通,继电器K工作,常闭触点K1断开,切断接触器KM的供电电源,从而使电动机断电,电动机得到保护。
(2)桑塔纳2000GSi轿车的冷却液温度传感器

冷却液温度传感器的检测方法如下。
① 检测电源电压。拔下冷却液温度传感器的连接接头,打开点火开关,测量ECU相应端子间的电压,应为5V左右。
② 检测信号电压。插上冷却液温度传感器的插头,接通点火开关,检测ECU两端子间的信号电压,应为0.5~4.8V,若电压值不在此范围内,则表明传感器已失效或损坏。冷却液温度传感器的信号电压与冷却液温度之间的关系如下表所示。


