集成温度传感器
上一节
下一节
集成温度传感器
集成温度传感器(温度IC)将温度敏感元件和放大、运算和补偿等电路采用微电子技术和集成工艺集成在一片芯片上,从而构成集测量、放大、电源供电回路于一体的高性能的测温传感器。

1、类型
集成温度传感器可分为:模拟型集成温度传感器和数字型集成温度传感器。
模拟型的输出信号形式有电压型和电流型两种。
数字型又可以分为开关输出型、并行输出型、串行输出型等几种不同的形式。
2、模拟型集成温度传感器
模拟型集成温度传感器电流输出型温度传感器能产生一个与绝对温度成正比的电流作为输出,AD590是电流输出型温度传感器的典型产品。


AD590封装示意图
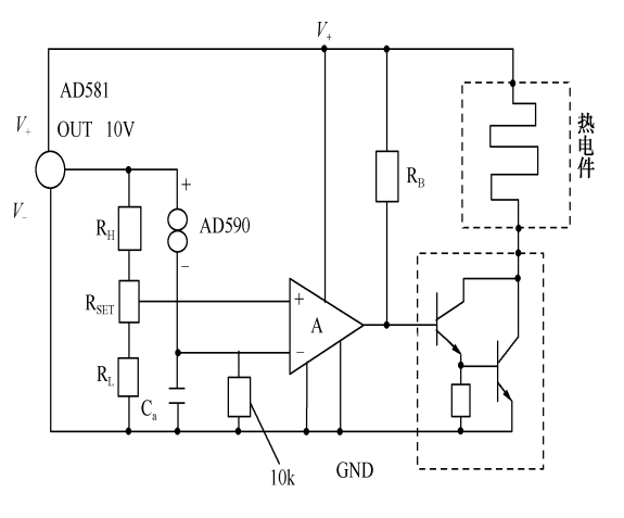
AD590温度控制电路的原理

热电件产生的温度经AD590检测后产生电流控制比较器A,然后驱动复合晶体管改变电热丝电流控制温度,RH和RL为RSET设置了最高和最低的限制,控制点由RSET调节。
4、数字温度传感器
DS18B20温度传感器
DS18B20是DALLAS半导体公司最新单线式数字温度传感器,具有测温系统简单、测温精度高、连接方便、占用口线少、系统的抗干扰能力强等优点,适合于恶劣环境的现场温度测量,如环境控制、设备或过程控制、测温类消费电子产品等。其小体积封装只有三个引脚,如图7-24所示,其中DQ为数字信号输入/输出端,GND为电源地,VDD为外接供电电源输入端(在寄生电源接线方式时接地)。


