热电偶传感器
热电偶
热电偶测温的主要优点
它属于自发电型传感器:测量时可以不需外加电源,可直接驱动动圈式仪表;
测温范围广:下限可达-270C ,上限可达1800C以上;
各温区中的热电势均符合国际计量委员会的标准。
1、热电偶的工作原理

两种不同的金属互相接触时,由于不同金属内自由电子的密度不同,在两金属A和B的接触点处会发生自由电子的扩散现象。自由电子将从密度大的金属A扩散到密度小的金属B,使A失去电子带正电,B得到电子带负电,从而产生热电势。

两种不同的导体(或半导体)组成一个闭合回路,在闭合回路中,A、B导体称为热电极。T端结点称为工作端或热端;T0端结点称为冷端或自由端。
产生的热电势由两部分组成: 温差电势和接触电势
(1)接触电势
产生原因:由于两种不同导体的自由电子密度不同而在接触处形成的电动势。 两种导体接触时,自由电子由密度大的导体向密度小的导体扩散, (NA>NB,A到B)在接触处失去电子的一侧带正电, 得到电子的一侧带负电, 形成稳定的接触电势。接触电势的数值取决于两种不同导体的性质和接触点的温度。
(2)同一导体温差电势
同一导体的两端温度不同时, 高温端的电子能量要比低温端的电子能量大, 因而从高温端跑到低温端的电子数比从低温端跑到高温端的要多, 结果高温端因失去电子而带正电, 低温端因获得多余的电子而带负电, 形成一个静电场,该静电场阻止电子继续向低温端迁移,最后达到动态平衡。
2、热电偶基本定律
(1)均质导体定律
如果热电偶回路中的两个热电极材料相同,无论两接点的温度如何,热电势均为零。
根据这个定律,可以检验两个热电极材料成分是否相同,也可以检查热电极材料的均匀性。
(2)中间导体定律
利用热电偶进行测温, 必须在回路中引入连接导线和仪表, 接入导线和仪表后会不会影响回路中的热电势呢?中间导体定律说明, 在热电偶测温回路内, 接入第三种导体, 只要其两端温度相同, 则对回路的总热电势没有影响。
3、热电偶的种类及结构
几种常用热电偶的测温范围及热电势
名 称 | 分度号 | 代号 | 测温范围(ºC | 100ºC( | 特 点 |
铂铑30-铂铑6 | B(LL-2) | WRR | 50~1280 | 0.033 | 熔点高,测温上限高,性能稳定,精度高,ºC |
铂铑13-铂 | R(PR) | — | -50~1768 | 0.647 | 使用上限较高,精度高,性能稳定,复现性好;但热电动势较小,不能在金属和还原性气体中使用,在高温下使用特性会逐渐变坏,价昂;多用于精密测量 |
铂铑10-铂 | S(LB-3) | WRP | -50~1768 | 0.646 | 同上,性能不如 |
镍铬-镍硅 | K(EU-2) | WRN | -270~1370 | 4.095 | 热电动势大,线性好,稳定性好,价廉;但材质较硬,在1 000ºC |

几种常用热电偶的热电势与温度的关系曲线分析
4、热电偶的分度表
热电偶的线性较差,多数情况下采用查表法
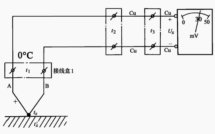
直接从热电偶的分度表查温度与热电势的关系时的约束条件是:自由端(冷端)温度必须为0℃。
设冷端为0℃,根据以下电路中的毫伏表的示值及K热电偶的分度表,查出热端的温度tx 。

5、常见热电偶
(1)铠装热电偶
铠装热电偶的制造工艺:把热电极材料与高温绝缘材料预置在金属保护管中、运用同比例压缩延伸工艺、将这三者合为一体,制成各种直径、规格的铠装偶体,再截取适当长度、将工作端焊接密封、配置接线盒即成为柔软、细长的铠装热电偶。
铠装热电偶特点:内部的热电偶丝与外界空气隔绝,有着良好的抗高温氧化、抗低温水蒸气冷凝、抗机械外力冲击的特性。铠装热电偶可以制作得很细,能解决微小、狭窄场合的测温问题,且具有抗震、可弯曲、超长等优点。

(2)隔爆型热电偶
结构特点:隔爆热电偶的接线盒在设计时采用防爆的特殊结构,它的接线盒是经过压铸而成的,有一定的厚度、隔爆空间,机构强度较高;采用螺纹隔爆接合面,并采用密封圈进行密封,因此,当接线盒内一旦放弧时,不会与外界环境的危险气体传爆,能达到预期的防爆、隔爆效果。
使用场合:工业用的隔爆型热电偶多用于化学工业自控系统中(由于在化工生产厂、生产现场常伴有各种易燃、易爆等化学气体或蒸汽,如果用普通热电偶则非常不安全、很容易引起环境气体爆炸)。
6、热电偶冷端的延长
采用相对廉价的补偿导线,可延长热电偶的冷端,使之远离高温区;可节约大量贵金属;易弯曲,便于敷设。


