1
数据库原理与应用技术
1.5.6.4 4.6.4 物理设计案例:学院教学管理数据库
4.6.4 物理设计案例:学院教学管理数据库

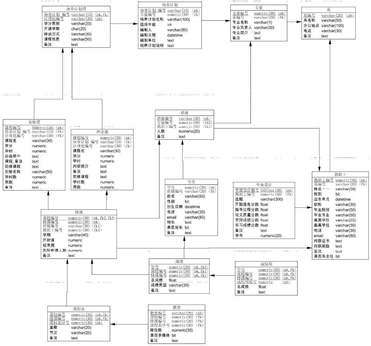
在4.5.4节已分析的教学管理数据库的逻辑模型基础上,利用前面介绍的设计方法,得到使用Power Designer软件转化并进行适当手工修改而来的教学管理物理模型,如图4-28所示。

图4-28 教学管理物理模型

针对物理模型中的每个实体,可以查看其在具体选择的数据库(本例选择的是SQL Server数据库)中的创建代码。例如,学生的创建代码如图4-29所示。

图4-29 学生的创建代码

如果想要生成所有数据库及数据库中相关对象的代码,可以利用Power Designer软件中的正向工程来完成代码的导出工作。