目录

  • 1 项目1直流电路的分析与测量
    • 1.1 电路的基本概念
    • 1.2 电路中的基本元器件和欧姆定律
    • 1.3 电路的基本连接
  • 2 项目2直流电路的分析与计算
    • 2.1 电压源和电流源
    • 2.2 电路的分析与计算
  • 3 项目3  交流电路
    • 3.1 正弦交流电基本概念
    • 3.2 正弦交流电路
    • 3.3 三相交流电路
  • 4 项目4变压器和三相异步电动机
    • 4.1 磁路的基本概念
    • 4.2 变压器
    • 4.3 交流异步电动机
  • 5 项目5三相异步电动机控制电路
    • 5.1 常用低压电器
    • 5.2 三相异步电动机常用控制电路
  • 6 项目6半导体元件及其特性
    • 6.1 半导体的基础知识
    • 6.2 半导体二极管
    • 6.3 半导体三极管
  • 7 基本放大电路
    • 7.1 共发射极放大电路
    • 7.2 分压式偏置放大电路
    • 7.3 共集电极放大电路
  • 8 项目8 集成运算放大器及其应用
    • 8.1 放大电路中的反馈
    • 8.2 集成运算放大器
    • 8.3 集成运算放大器的应用
  • 9 项目9逻辑门电路
    • 9.1 数字电路基础
    • 9.2 逻辑代数基础
    • 9.3 基本数字器件与功用
  • 10 项目10 组合逻辑电路
    • 10.1 组合逻辑电路的分析与设计
    • 10.2 常用组合逻辑电路
电压源和电流源

电压源和电流源

一、电压源

1.电压源的概念

电源在产生电能的同时,也有能量的消耗,人为地把电源消耗的电能视为一个称作内阻的电阻所消耗的电能,那么任何一个实际的电源都可以用一个理想电压源E和内阻R0相串联的电路模型来表示,这种电路模型称为电压源模型,简称电压源。

2.电压源的伏安特性



图2-2 实际电压源和理想电压源的伏安特性曲线


图2-3 理想电压源模型

二、电流源

1.电流源的概念

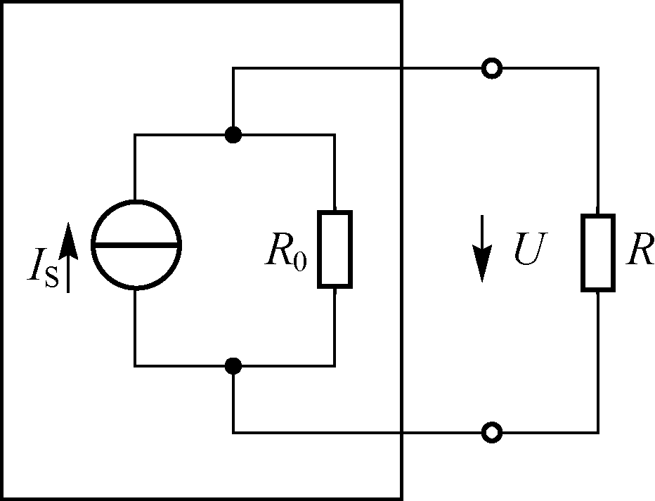
一个实际电源除可以用电压源模型来表示外,还可以用电流源模型来表示,任何一个实际的电源都可以用一个理想电流源IS和内阻R0相并联的电路模型的组合来表示,这种电路模型称为电流源模型,简称电流源。

2.电流源的伏安特性

 图2-4  电流源与外电路的连接

 

   图2-5 实际电流源和理想电流源的伏安特性曲线

三、电源的等效变换

1.电路等效的一般概念

电路等效变换的条件是相互等效的两个电路具有完全相同的电压、电流关系。电路等效变换的对象是外电路中的电压、电流及功率。电路等效变换的目的是使对电路的分析计算更加简单。

2.电压源与电流源的等效变换

实际电压源模型与实际电流源的模型等效变换时,应注意以下几点。

(1)电压源与电流源的等效变换关系只是对电源的外电路而言的,对电源内部则是不等效的。例如,当电流源外电路开路时,I=0,U=E=ISR0,内部仍有电流IS,故内阻上仍有功率损耗;但电压源在开路时,内阻上并不损耗功率。

(2)理想电压源与理想电流源不能相互等效变换。因为理想电压源的U=E是恒定不变的,而I决定于外电路负载,是不恒定的;理想电流源的I=IS是恒定的,U决定于外电路负载,是不恒定的,故两者不能等效。

(3)任何与电压源并联的元件不影响电压源电压的大小,在分析计算其外部电路时可以舍去,以简化其余电路的分析,但在计算电压源内部电路时不可以舍去。

(4)任何与电流源串联的元件不影响电流源电流的大小,在分析计算其外部电路时可以舍去,以简化其余电路的分析,但在计算电流源内部电路时不可以舍去。

(5)变换前后要注意两种电路模型的极性必须一致,即电流源流出电流的一端与电压源的正极性端相对应。

结论: 电压源与任何线性元件并联时,都可等效成电压源;电流源与任何线性元件串联时,都可等效成电流源。